Запчасти Bobcat B300 ELECTRICAL CIRCUITRY ELECTRICAL SYSTEM

Схема запчастей Bobcat B300 - ELECTRICAL CIRCUITRY ELECTRICAL SYSTEM
FIT
1:1
100%

Артикул

Название

Примечание

Количество

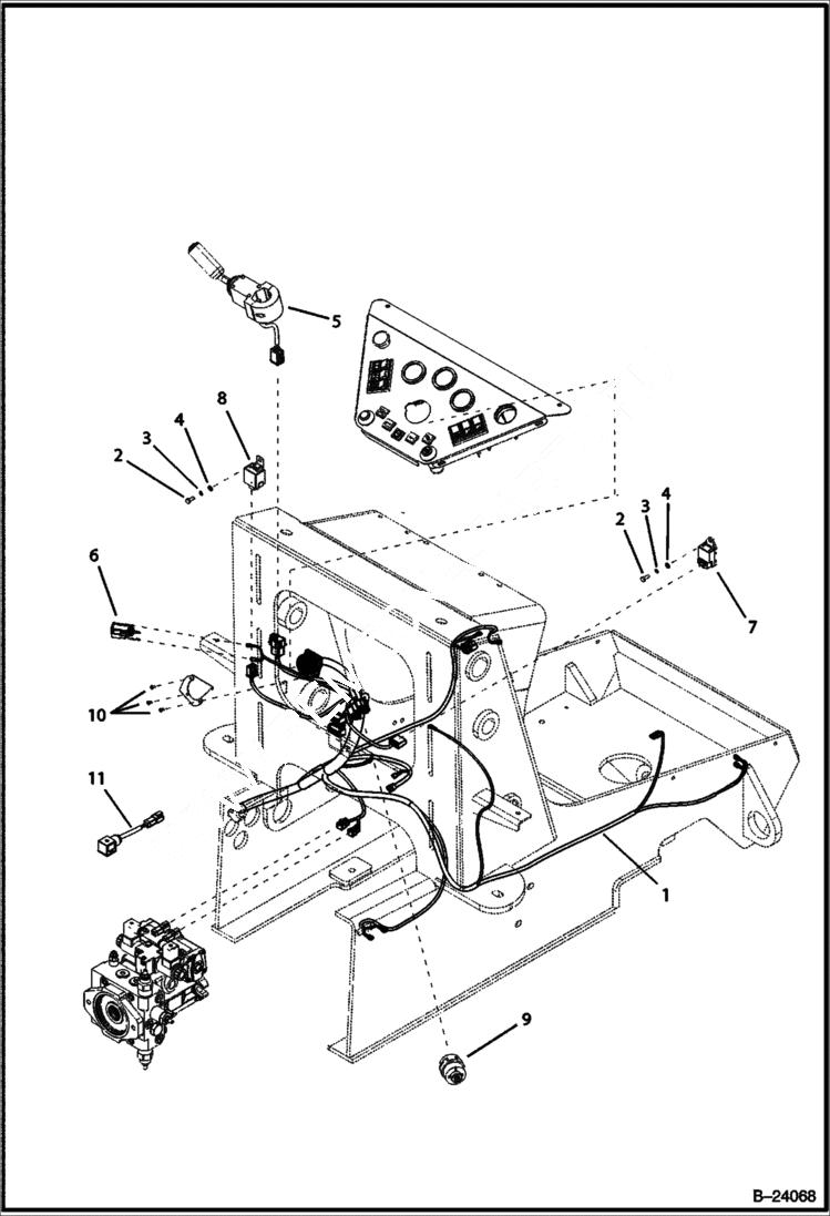
1

6966220

HARNESS

2

1CM616

SCREW

3

8EM60

WASHER

4

6964586

WASHER

5

LEVER See BTI BL001 - Was 6966223 - A

6

6962164

SOCKET

7

6964756

RELAY

8

6964757

RELAY

9

6961636

SWITCHBOX Ignition W/Keys

9

6971041

KEY, IGN

10

6964758

SCREW

11

6966914

HARNESS

Выбрано товаров: 12