Запчасти Bobcat B300 ELECTRICAL CIRCUITRY ELECTRICAL SYSTEM

Схема запчастей Bobcat B300 - ELECTRICAL CIRCUITRY ELECTRICAL SYSTEM
FIT
1:1
100%

Артикул

Название

Примечание

Количество

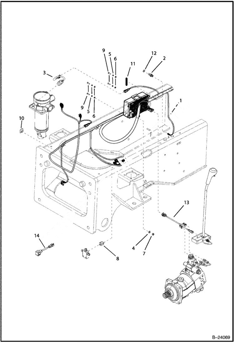
1

6966220

HARNESS

2

6966749

SENSOR hydraulic temperature

3

6966221

HARNESS

4

6964587

WASHER

5

8EM60

WASHER

6

6964586

WASHER

7

16DM8

NUT

8

6961514

SENSOR

9

13GM6016

SCREW

10

6960988

HOOK

11

6962227

COVER

12

6962814

RING

13

6966222

HARNESS

14

6966914

HARNESS

Выбрано товаров: 14