Качественные детали и логистика
Оригинальные и аналоговые запчасти с доставкой по России, Казахстану и Беларуси
©2022 PartSell ООО "Система" ИНН 2463123282 ОГРН 1212400004838
Центральный офис: г. Красноярск, Академика Киренского, д.87, пом.4
Телефон: 8 (800) 777-65-74 Email: zakaz@partsell.ru
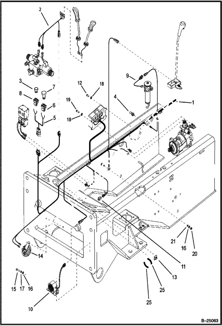
ELECTRICAL CIRCUITRY
№
Артикул
Название
Примечание
Количество
1
6974993
BASIC WIRE
2
6973771
HARNESS
3
6961356
SWITCH
4
6966749
SENSOR hydraulic temperature
5
6973770
WIRE
6
6961354
7
8
6961353
9
6973767
10
6966225
ALARM
11
6961514
SENSOR
12
13GM6016
SCREW
13
6960988
HOOK
14
6961358
HORN
15
1CM816
BOLT
16
6964587
WASHER
17
8EM80
WASHER .
18
6964623
19
13GM6020
20
16DM8
NUT
21
6964624
Выбрано товаров: 0