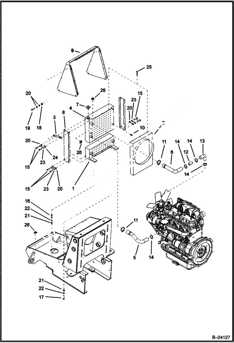
Запчасти Bobcat B300 COOLER ASSY Tier I 5723 11001 & Above POWER UNIT

Схема запчастей Bobcat B300 - COOLER ASSY Tier I 5723 11001 & Above POWER UNIT
FIT
1:1
100%

Артикул

Название

Примечание

Количество

1

6961288

COOLER

2

6968042

HOUSING

3

6961290

HOLDER

4

6961291

COOLER

5

6961292

HOSE

6

6961293

HOSE

7

6961294

CAP

8

6961295

COVER

9

6961296

COVER

10

6961297

VALVE

11

6960958

CLIP

12

6961298

ADAPTER

13

6961299

HOSE

14

6960957

CLIP

15

1CM820

BOLT

16

1CM1030

BOLT

17

1CM1035

BOLT

18

16DM8

NUT

19

1CM825

BOLT Was 4CM825 - A

20

6964587

WASHER

21

6962913

WASHER

22

8EM100

WASHER

23

8EM80

WASHER

24

6964631

WASHER

25

6961582

BOLT

26

66960988

LUG

Выбрано товаров: 26