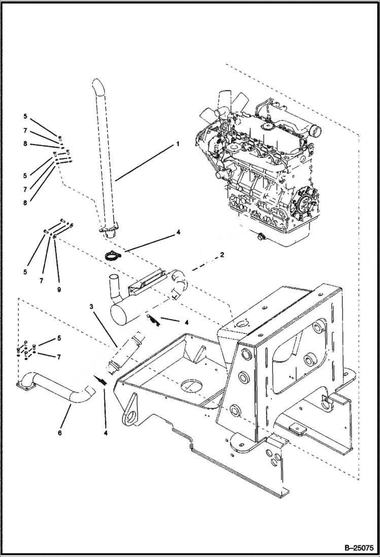
Запчасти Bobcat B300 EXHAUST PIPE ASSY Tier II 5731 11001 & Above POWER UNIT

Схема запчастей Bobcat B300 - EXHAUST PIPE ASSY Tier II 5731 11001 & Above POWER UNIT
FIT
1:1
100%

Артикул

Название

Примечание

Количество

1

6974831

EXHAUST

2

6974829

EXHAUST,MUFFLER

3

6974851

TUBE

4

6685133

CLAMP,MUFFLER

5

1CM820

BOLT Was 4CM820 - A

6

6976965

PIPE

7

8EM80

WASHER

8

15EM80

WASHER

9

17EM80

WASHER

Выбрано товаров: 9