Запчасти Bobcat B300 ELECTRICAL ELECTRICAL SYSTEM

Схема запчастей Bobcat B300 - ELECTRICAL ELECTRICAL SYSTEM
FIT
1:1
100%

Артикул

Название

Примечание

Количество

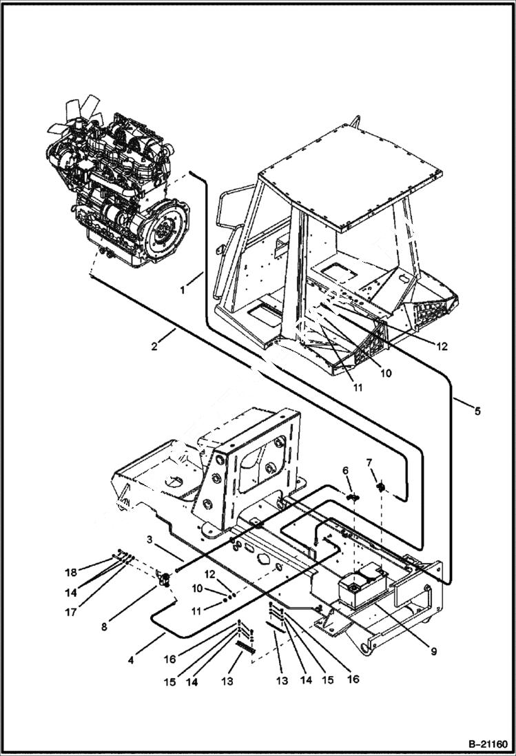
1

6961552

CABLE

2

6961553

CABLE

3

6961554

CABLE

4

6961555

CABLE

5

6961556

CABLE

6

6961223

CLAMP battery - negative

7

6961222

CLAMP battery - positive

8

6961221

DISCONNECTOR

9

6961557

BATTERY

10

6964587

WASHER

11

16DM8

NUT

12

6964624

WASHER

13

6960760

PLATE

14

6964586

WASHER

15

8EM60

WASHER

16

1GM616

BOLT

17

16DM6

NUT

18

1CM620

BOLT Was 4CM620 - A

Выбрано товаров: 18