Запчасти Bobcat BL275 TRUNNION WORK EQUIPMENT

Схема запчастей Bobcat BL275 - TRUNNION WORK EQUIPMENT
FIT
1:1
100%

Артикул

Название

Примечание

Количество

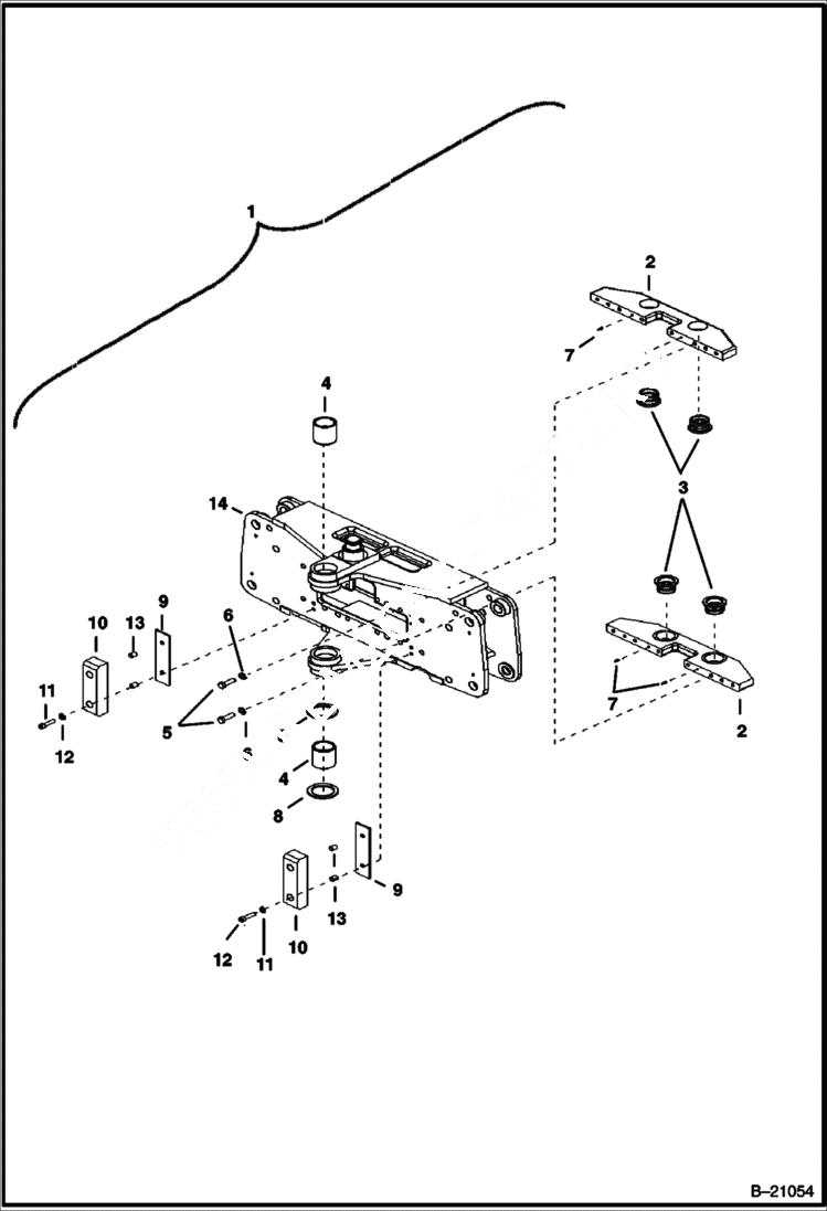
1

6960647

TRUNNION W/Ref. 2 - 14

2

BRACKET NLA

3

6960634

BUSHING

4

6960635

BUSHING

5

1CM1240

BOLT

6

6EM12

WASHER

7

6962268

GREASE FITTING

8

6960636

AXIAL RING

9

6960556

WASHER

10

6960560

STOP

11

1GM1040

SCREW

12

6962913

WASHER

13

6960558

SPACER

14

TRUNNION NLA

Выбрано товаров: 14