Запчасти Bobcat BL275 HYDRAULIC CIRCUITRY Frame HYDRAULIC SYSTEM

Схема запчастей Bobcat BL275 - HYDRAULIC CIRCUITRY Frame HYDRAULIC SYSTEM
FIT
1:1
100%

Артикул

Название

Примечание

Количество

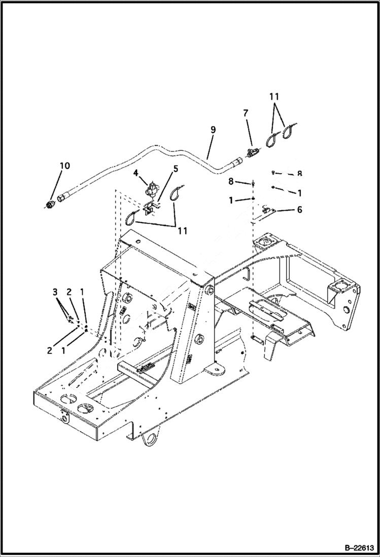
1

6964587

WASHER

2

8EM80

WASHER

3

1CM825

BOLT

4

6966085

FITTING

5

6966055

HOLDER

6

6964488

HOLDER

7

6966083

FITTING

8

1CM816

BOLT Was 4CM816 - A

9

6965986

HOSE

10

6966151

FITTING

11

6962228

TIE STRAP

Выбрано товаров: 11