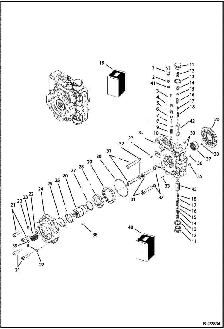
Запчасти Bobcat BL275 HYDRAULIC CIRCUITRY Axiel Pump & Gear Pump HYDRAULIC SYSTEM

Схема запчастей Bobcat BL275 - HYDRAULIC CIRCUITRY Axiel Pump & Gear Pump HYDRAULIC SYSTEM
FIT
1:1
100%

Артикул

Название

Примечание

Количество

1

6683430

PIN

2

6683431

RING

3

BOLT NLA

4

NUT NLA

5

NUT NLA

6

O-RING NLA

7

BAR NLA

8

SPRING BLOCK NLA

9

SPRING NLA

10

SPRING BLOCK NLA

11

6683487

PLUG

12

6683485

SPRING

13

6683486

WASHER

14

PLUG NLA

15

WASHER NLA

16

SPRING NLA

17

WASHER NSS

18

SHUTTLE NLA

19

6683484

VALVE W/Ref. 14,15,16,17,18,42

20

RING NLA

21

6683538

BOLT

22

6671920

WASHER

23

6683537

SLEEVE

24

6683536

BODY

25

6683544

BUSHING

26

6683545

SLEEVE

27

6683543

RING

28

6683540

ROTOR

29

6683541

ROTOR

30

6683542

O-RING

31

6683531

BOLT

32

6683532

WASHER

33

6671913

PIN

34

COVER NLA

35

PLUG NLA

36

6682052

O-RING

37

6683582

NEEDLE

38

6683539

KEY

39

RING NLA

40

6682068

VALVE KIT W/Ref. 3,4,5,6,7,8,9,10

41

6683489

O-RING

42

VALVE NLA

Выбрано товаров: 42