Запчасти Bobcat BL275 FUEL TANK Tier I 5724 11001 & Above POWER UNIT

Схема запчастей Bobcat BL275 - FUEL TANK Tier I 5724 11001 & Above POWER UNIT
FIT
1:1
100%

Артикул

Название

Примечание

Количество

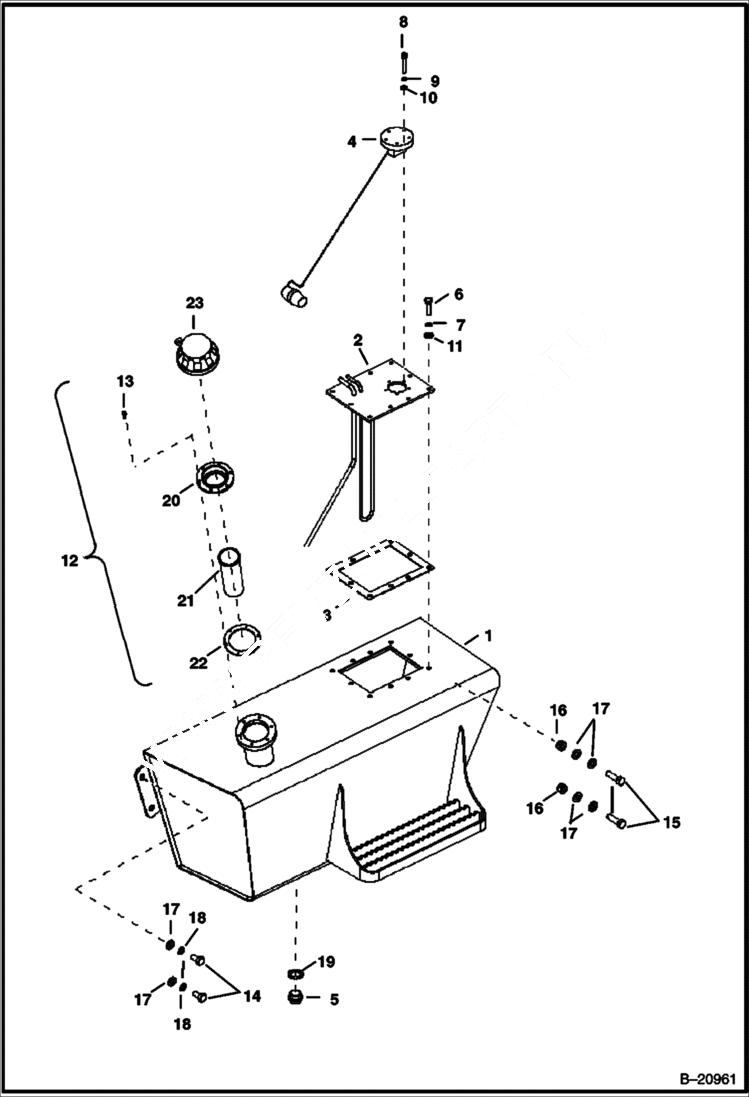
1

6960342

TANK fuel assy

2

6960343

COVER

3

6960344

SEAL

4

6960345

SENSOR fuel level

5

6960346

PLUG magnet

6

1CM625

BOLT

7

8EM60

WASHER

8

1GM530

BOLT

9

8EM50

WASHER

10

6962782

WASHER

11

6964585

WASHER

12

6960347

FITTING assy

13

13GM5016

BOLT

14

1CM1020

BOLT

15

1CM1035

BOLT

16

16DM10

NUT

17

6964625

WASHER

18

8EM100

WASHER

19

6964540

RING

20

FLANGE NSS

21

FILTER NSS

22

SEAL NSS

23

CAP NSS

Выбрано товаров: 23