Запчасти Bobcat BL370 ELECTRICAL ELECTRICAL SYSTEM

Схема запчастей Bobcat BL370 - ELECTRICAL ELECTRICAL SYSTEM
FIT
1:1
100%

Артикул

Название

Примечание

Количество

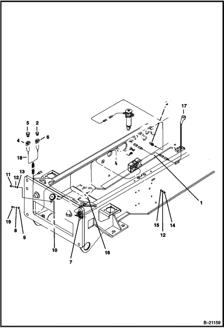
1

6961465

HARNESS

2

6961356

SWITCH

3

6961361

SENSOR engine temp

4

6961355

SWITCH

5

6961354

SWITCH emergency

6

6961353

SWITCH

7

6961357

ALARM back-up

8

WASHER

9

WASHER

10

6961358

HORN

11

BOLT

12

WASHER

13

WASHER

14

NUT

15

WASHER

16

6961514

SENSOR

17

6961493

HANDLE

18

6961466

HARNESS stop/horn

19

BOLT

Выбрано товаров: 19