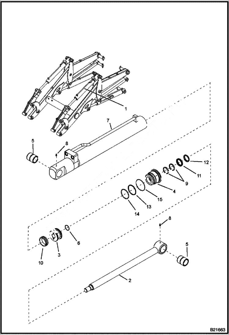
Запчасти Bobcat BL370 TILT CYLINDER Right (BL370) 5704 11034 & Below (BL375) 5718 11013 & Below HYDRAULIC SYSTEM

Схема запчастей Bobcat BL370 - TILT CYLINDER Right (BL370) 5704 11034 & Below (BL375) 5718 11013 & Below HYDRAULIC SYSTEM
FIT
1:1
100%

Артикул

Название

Примечание

Количество

1

6961227

CYLINDER

2

6961423

HOUSING

3

6961424

ROD

4

6960309

PISTON

5

6960321

HEAD

6

6960937

BUSHING

7

6962268

GREASE FITTING

8

6960280

SEAL

9

6960314

SEAL

10

6960277

SEAL

11

6960279

WIPER

12

6960317

BACK-UP RING

13

6960318

O-RING

14

6960319

O-RING

15

6960278

O-RING

Выбрано товаров: 15