Запчасти Bobcat BL370 STABILZER CYLINDER Center Mount HYDRAULIC SYSTEM

Схема запчастей Bobcat BL370 - STABILZER CYLINDER Center Mount HYDRAULIC SYSTEM
FIT
1:1
100%

Артикул

Название

Примечание

Количество

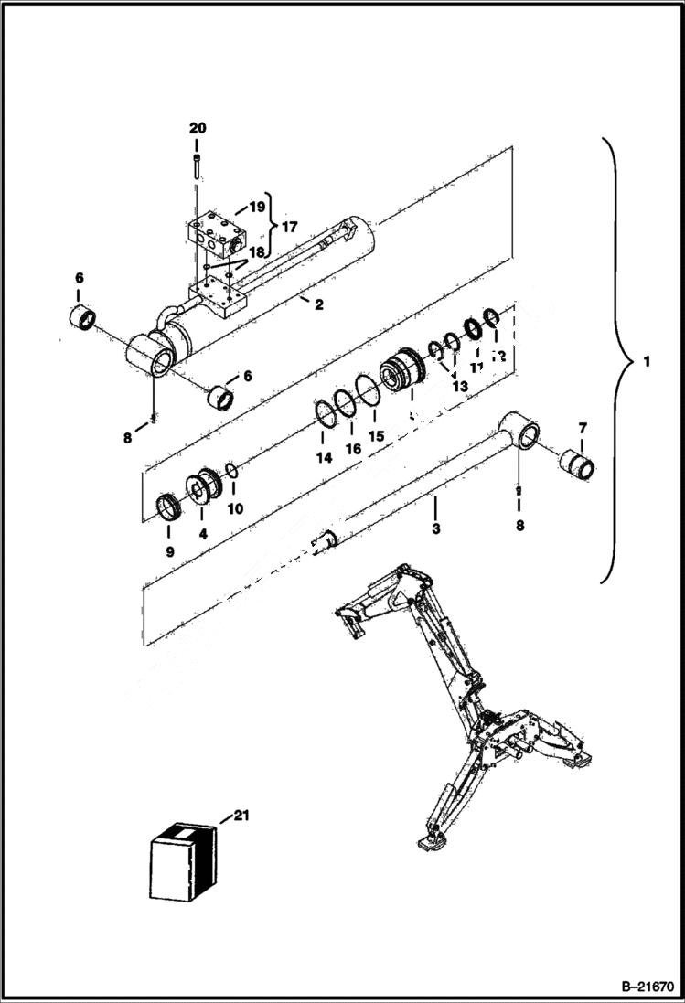
1

6961412

CYLINDER ASSY

2

6961398

HOUSING

3

6961399

ROD

4

6960175

PISTON

5

6960176

HEAD

6

6961400

BUSHING

7

6960940

BUSHING

8

Fitting Grease

9

6960610

SEAL

10

6960278

O-RING

11

6960277

SEAL

12

6960279

WIPER

13

6960280

SEAL

14

6960282

O-RING

15

6960319

O-RING

16

6960281

BACK-UP RING

17

6960305

HYDRAULIC LOCK Hydraulic

18

6960308

O-RING

19

Hydraulic

20

BOLT

21

6962301

SEAL KIT

Выбрано товаров: 21