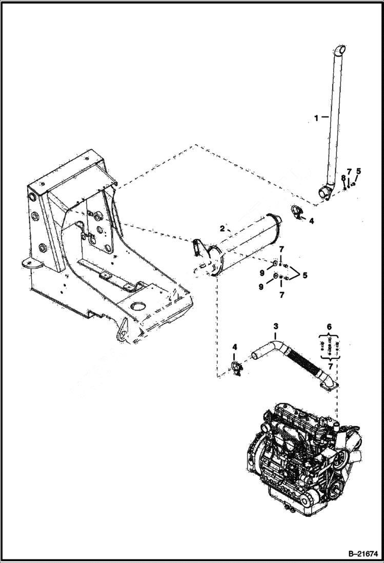
Запчасти Bobcat BL370 ENGINE & ATTACHING PARTS Exhaust POWER UNIT

Схема запчастей Bobcat BL370 - ENGINE & ATTACHING PARTS Exhaust POWER UNIT
FIT
1:1
100%

Артикул

Название

Примечание

Количество

1

6961429

EXHAUST PIPE

2

6961430

MUFFLER exhaust

3

6961431

EXHAUST PIPE exhaust

4

6960258

CLIP

5

1CM816

BOLT Was 4CM816 - A

6

1CM820

BOLT

7

8EM80

WASHER

8

6962786

WASHER

9

6964600

WASHER

Выбрано товаров: 0