Качественные детали и логистика
Оригинальные и аналоговые запчасти с доставкой по России, Казахстану и Беларуси
©2022 PartSell ООО "Система" ИНН 2463123282 ОГРН 1212400004838
Центральный офис: г. Красноярск, Академика Киренского, д.87, пом.4
Телефон: 8 (800) 777-65-74 Email: zakaz@partsell.ru
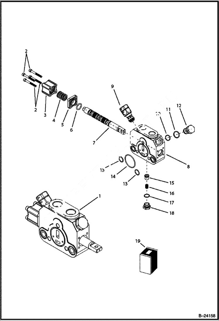
HYDRAULIC CIRCUITRY (Backhoe Control Valve)
№
Артикул
Название
Примечание
Количество
1
SECTION NSS - Ref. 2-14, 19
2
BOLT NSS
3
COVER NSS
4
SPRING-UNIT NSS
5
6
O-RING NSS
7
SHAFT NSS
8
BODY NSS
9
VALVE NSS
10
11
12
PLUG NSS
13
14
15
16
SPRING NSS
17
18
19
VALVE NSS - Ref. 15, 16, 17, 18
Выбрано товаров: 0