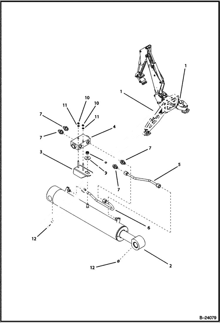
Запчасти Bobcat BL370 STABILIZER CYLINDER (Center Mount Backhoe) HYDRAULIC SYSTEM

Схема запчастей Bobcat BL370 - STABILIZER CYLINDER (Center Mount Backhoe) HYDRAULIC SYSTEM
FIT
1:1
100%

Артикул

Название

Примечание

Количество

1

CYLINDER NLA - Ref. 2-12

2

7148520

CYLINDER Was 6816930 - A

3

6966213

HOLDER

4

6966214

LOCK

5

6966215

PIPE

6

6966216

PIPE

7

6966070

FITTING

8

16DM10

NUT

9

6964596

WASHER

10

16DM6

NUT

11

6962789

WASHER

12

10H25

FITTING, GREASE 5

Выбрано товаров: 12