Запчасти Bobcat BL370 GEARCASE (Tier I) (S/N 5727 11001 & Above) POWER UNIT

Схема запчастей Bobcat BL370 - GEARCASE (Tier I) (S/N 5727 11001 & Above) POWER UNIT
FIT
1:1
100%

Артикул

Название

Примечание

Количество

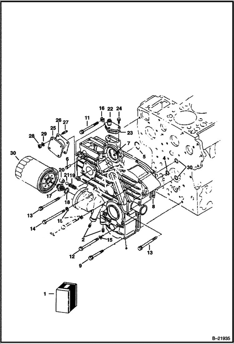
1

6682501

CASE ASSY. NLA - Order 6685466 o-ring, 6686981 o-ring, 6685468 o-ring, 3974395 pin, 6652592 pin & 7018622 housing gear case - Was 6682501 - A

2

6667425

PLUG pin

3

3966515

O RING

4

6655162

O-RING

5

3966530

O RING

6

6652592

PIN start spring

7

3974395

PIN straight

8

6666800

GASKET gearcase

9

3974888

BOLT

10

1CM870

BOLT

11

6653807

BOLT

12

1CM880

BOLT

13

6653808

BOLT

14

1CM895

BOLT

15

6EM80

WASHER, SPRING

16

1EM80

WASHER Was 2EM8 - A

17

6653809

CONNECTOR pipe - Was 3974891 - A

18

15EM180

WASHER

19

6652652

SPRING

20

3974893

SEAT valve

21

10J13

BALL

22

3974894

FLANGE water return

23

3974895

GASKET

23

6666803

GASKET water return flange

24

1CM620

BOLT Was 4CM620 - A

25

3974460

COVER

26

3974461

GASKET

26

6666875

GASKET

27

6652764

STUD

28

1DM6

NUT

29

6667419

WASHER spring

30

6653877

CARTRIDGE oil filter

Выбрано товаров: 32