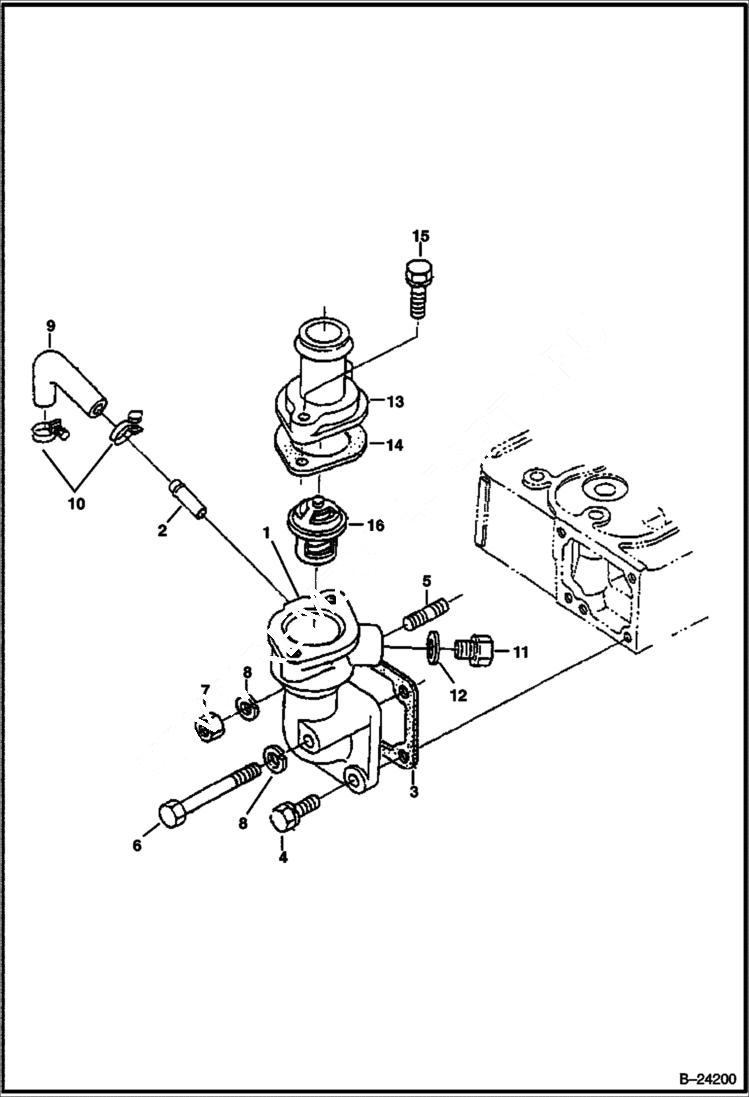
Запчасти Bobcat BL370 WATER FLANGE & THERMOSTAT (Tier I) (S/N 5727 11001 & Above) POWER UNIT

Схема запчастей Bobcat BL370 - WATER FLANGE & THERMOSTAT (Tier I) (S/N 5727 11001 & Above) POWER UNIT
FIT
1:1
100%

Артикул

Название

Примечание

Количество

1

6674167

FLANGE W/Ref. 2

1

6655923

FLANGE

1

6653937

FLANGE

2

6655880

PIPE water return

2

6653939

PIPE water return

3

3974987

GASKET

3

6666802

GASKET water flange

4

4CM822

BOLT

5

3974627

STUD

6

1CM870

BOLT

7

6652792

NUT

8

6EM80

WASHER, SPRING

9

3974988

PIPE water return

10

3974679

BAND pipe

11

6649536

PLUG

12

6653562

GASKET

13

6598118

COVER thermostat c

14

6732199

GASKET

14

6732199

GASKET thermostat cover - Was 6666790 - A

15

1CM835

BOLT

16

6674172

THERMOSTAT

Выбрано товаров: 21