Качественные детали и логистика
Оригинальные и аналоговые запчасти с доставкой по России, Казахстану и Беларуси
©2022 PartSell ООО "Система" ИНН 2463123282 ОГРН 1212400004838
Центральный офис: г. Красноярск, Академика Киренского, д.87, пом.4
Телефон: 8 (800) 777-65-74 Email: zakaz@partsell.ru
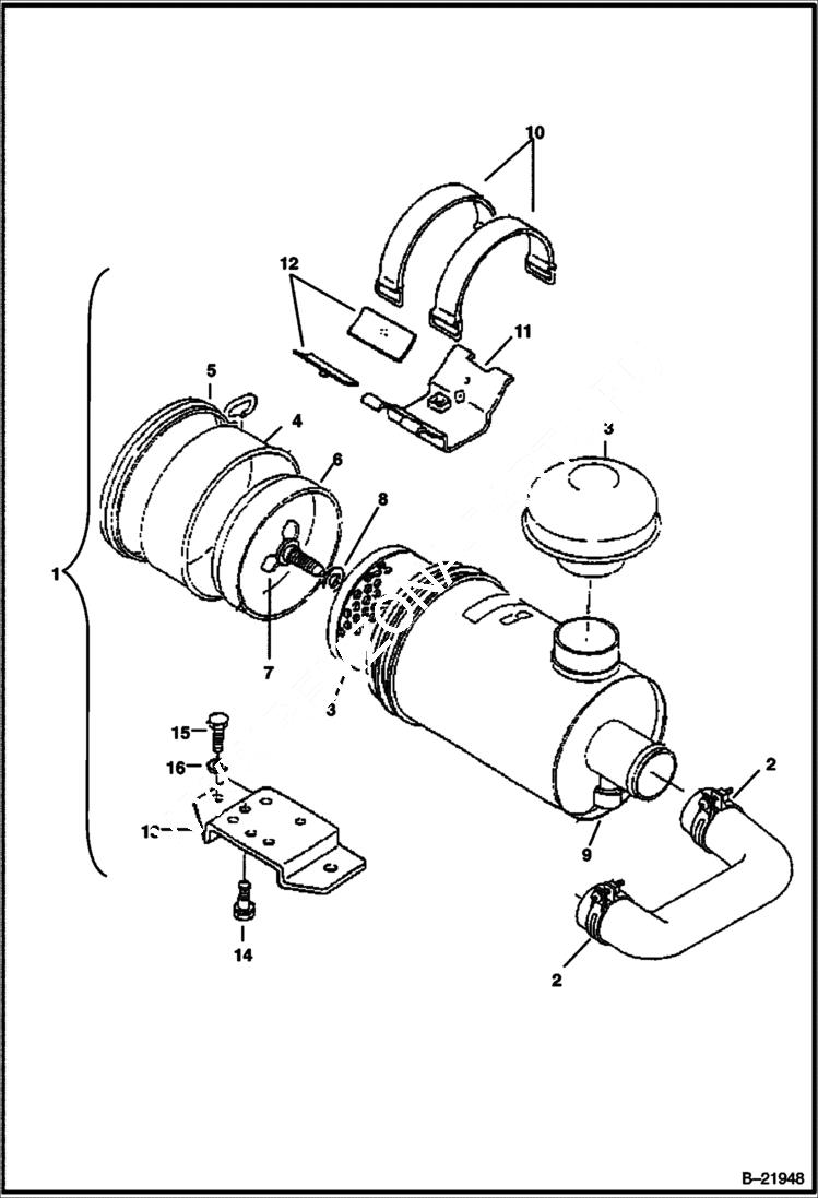
AIR CLEANER (Tier I) (S/N 5727 11001 & Above)
№
Артикул
Название
Примечание
Количество
1
6961287
FILTER assy - w/Refs. 2 - 9
2
6655143
BAND pipe
3
6598492
ELEMENT air cleaner
4
6684229
COVER air cleaner
5
6655892
BAND air cleaner
6
6655890
COVER baffle
7
6652889
BOLT wing
8
6654705
WASHER w/rubber
9
6684230
GAUGE assy
10
6684231
11
6684232
SUPPORT
12
6684233
PAD
13
6684234
BRACKET
14
6657415
BOLT
15
6684235
16
8EM120
WASHER spring
Выбрано товаров: 0