Качественные детали и логистика
Оригинальные и аналоговые запчасти с доставкой по России, Казахстану и Беларуси
©2022 PartSell ООО "Система" ИНН 2463123282 ОГРН 1212400004838
Центральный офис: г. Красноярск, Академика Киренского, д.87, пом.4
Телефон: 8 (800) 777-65-74 Email: zakaz@partsell.ru
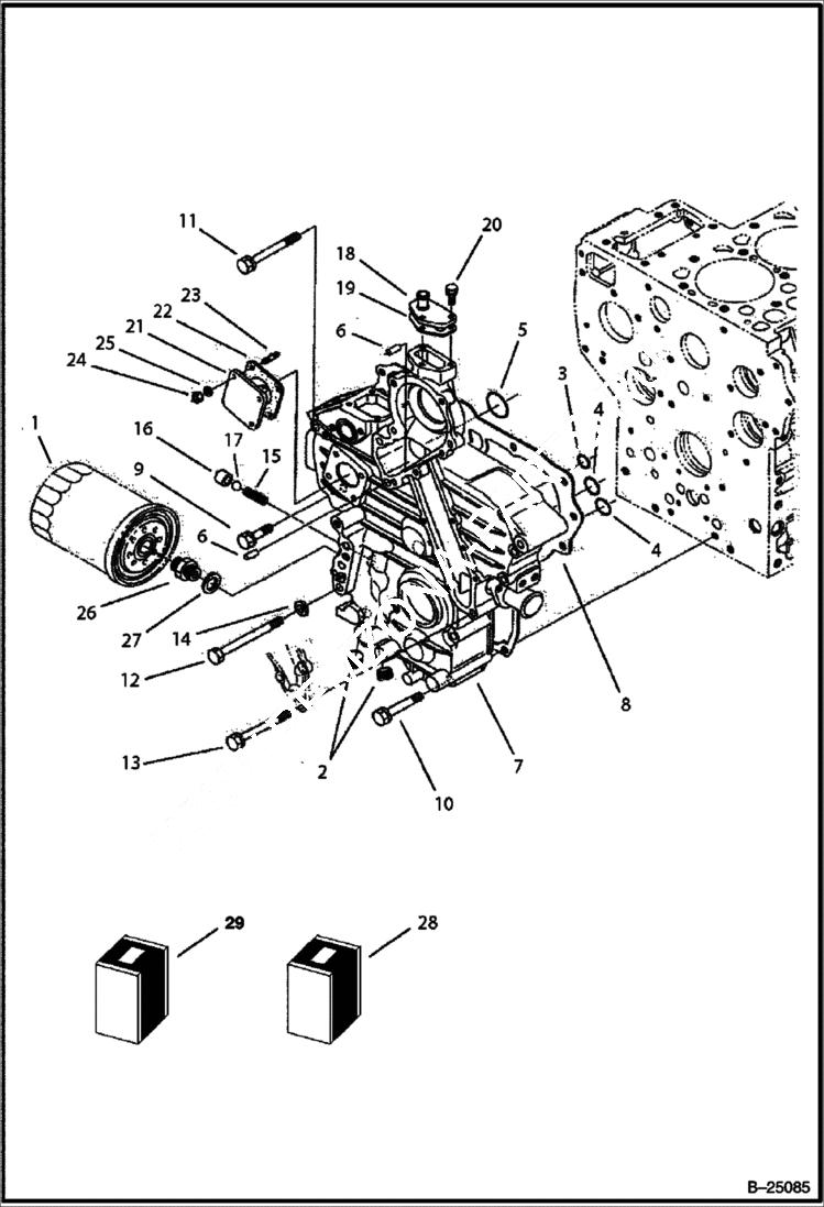
GEAR CASE Tier II 5732 11001 & Above
№
Артикул
Название
Примечание
Количество
1
6675517
FILTER, OIL ENG 12 Was 6684783 - A
2
6672360
PLUG
3
6685466
O-RING
4
6685467
5
6685468
6
3974395
PIN
7
GEARCASE NLA
8
6684770
GASKET
9
6969799
BOLT
10
6680562
BOLT Was 6969800 - A
11
6653807
12
6684772
13
6653808
14
6667422
WASHER
15
6652652
SPRING
16
3974893
SEAT
17
10J13
BALL Was 6969574 - A
18
3974894
FLANGE
19
6666803
20
6653584
21
3974460
COVER
22
6969801
GASKET, HOUR METER
23
6652764
STUD
24
6969802
NUT
25
6667419
26
6653809
CONNECTOR
27
6685501
28
6969798
COMP.CASE GEAR W/Ref. 2,7
29
6969797
ASSY CASE, GEAR
Выбрано товаров: 0