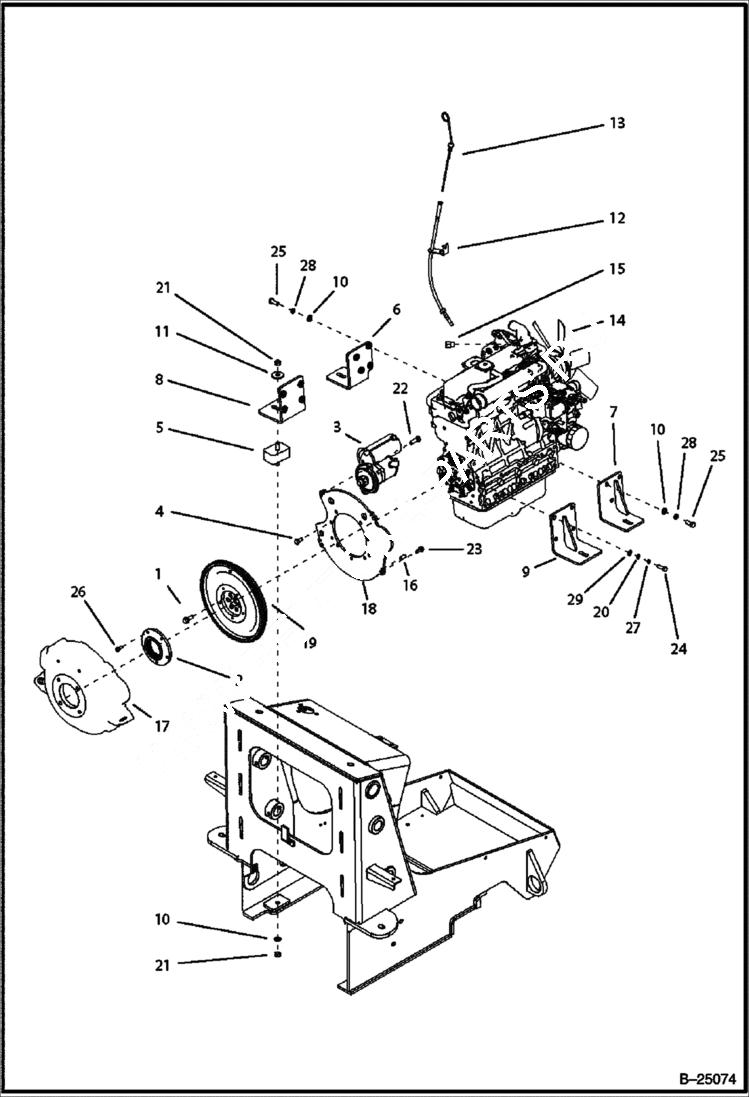
Запчасти Bobcat BL370 ENGINE (Tier II) (S/N 5732 11001 & Above) POWER UNIT

Схема запчастей Bobcat BL370 - ENGINE (Tier II) (S/N 5732 11001 & Above) POWER UNIT
FIT
1:1
100%

Артикул

Название

Примечание

Количество

1

6598275

BOLT Was 6652487 - A

2

6670757

COUPLER

3

6681858

STARTER

4

5CM1020

SCREW

5

6960211

BLOCK

6

6961494

HOLDER

7

6961495

HOLDER

8

6961496

HOLDER

9

6961497

HOLDER

10

1EM120

WASHER

11

17EM140

WASHER

12

6964762

GAUGE

13

6974812

GAUGE

14

6974860

ENGINE

15

6976972

REDUCTION

16

7101341

PIN

17

6977236

HOUSING,MACH

18

7101787

PLATE

19

7158136

FLYWHEEL, ENG ASSY See BTI388lb - Was 7102172 - A

20

15EM100

WASHER

21

16DM12

NUT

22

16DM12

NUT

23

29CM1025

BOLT

24

2CM1030

BOLT

25

2CM1030

BOLT

26

3GM820

SCREW

27

8EM100

WASHER

28

8EM120

WASHER

29

10EM120

WASHER

Выбрано товаров: 29