Качественные детали и логистика
Оригинальные и аналоговые запчасти с доставкой по России, Казахстану и Беларуси
©2022 PartSell ООО "Система" ИНН 2463123282 ОГРН 1212400004838
Центральный офис: г. Красноярск, Академика Киренского, д.87, пом.4
Телефон: 8 (800) 777-65-74 Email: zakaz@partsell.ru
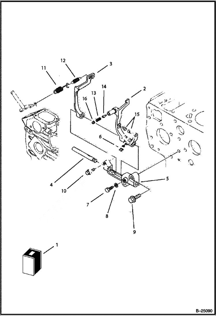
GOVERNOR (Tier II) (S/N 5732 11001 & Above)
№
Артикул
Название
Примечание
Количество
1
7009357
LEVER, FORK ASSY W/Ref. 2-8 & 13-16 - Was 6969821 - A
2
LEVER NLA
3
6684832
LEVER
4
6684833
SHAFT
5
6653916
HOLDER Was 3974661 - A
6
6680830
BOLT
7
3974662
BOLT Was 3974192 - A
8
6667419
WASHER
9
6680706
10
6685464
11
6689599
SPRING governor - Was 6685502 - A
12
6685514
SPRING
13
SPRING NLA
14
PIN NLA
15
16
SCREW NLA
Выбрано товаров: 0