Запчасти Bobcat BL370 WORK GROUP/STABILIZER Side Shift B375 WORK EQUIPMENT

Схема запчастей Bobcat BL370 - WORK GROUP/STABILIZER Side Shift B375 WORK EQUIPMENT
FIT
1:1
100%

Артикул

Название

Примечание

Количество

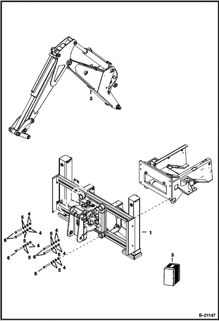
1

TRUNNION See Illustration STABILIZER/ B21645 See Illustration TRUNNION SLIDE/ B21646 See Illustration STREED PADS/ B21649 See Illustration TRUNNION/ B21648 See Illustration TRUNNION/ B21647 NLA

2

WORK GROUP See Illustration ARM & BOOM/ B21050 See Illustration LINK/ B21053 See Illustration BOOM/ B21052 See Illustration ARM/ B21051 NLA

3

CIRCUITRY NLA

4

2CM20120

SCREW

5

2DM20

NUT

6

6964575

WASHER

Выбрано товаров: 0