Качественные детали и логистика
Оригинальные и аналоговые запчасти с доставкой по России, Казахстану и Беларуси
©2022 PartSell ООО "Система" ИНН 2463123282 ОГРН 1212400004838
Центральный офис: г. Красноярск, Академика Киренского, д.87, пом.4
Телефон: 8 (800) 777-65-74 Email: zakaz@partsell.ru
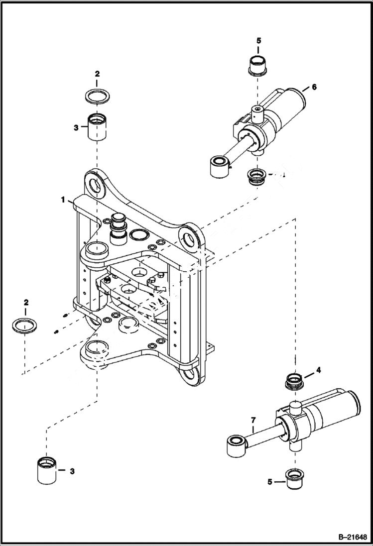
TRUNNION Side Shift B375
№
Артикул
Название
Примечание
Количество
1
6961441
TRUNNION
2
6960636
AXIAL RING axial
3
6960929
BUSHING
4
6960922
5
6960926
6
6960919
CYLINDER See Illustration SWING CYLINDER/ B21668 Swing - left
7
6960920
CYLINDER See Illustration SWING CYLINDER/ B21669 Swing - right
Выбрано товаров: 0