Запчасти Bobcat BL470 DRIVE MOTOR HYDRAULIC SYSTEM

Схема запчастей Bobcat BL470 - DRIVE MOTOR HYDRAULIC SYSTEM
FIT
1:1
100%

Артикул

Название

Примечание

Количество

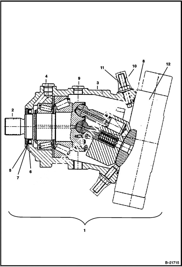
1

6962103

MOTOR assy

2

6682279

ROTARY GROUP

3

6682280

HOUSING

4

6682281

SCREW

5

6682282

RING retaining

6

6682283

RING

7

6682284

PLATE

8

6682285

O-RING

9

6682281

SCREW Was 6682286 - A

10

6682287

SCREW

11

6682288

NUT

12

CONTROL NLA

Выбрано товаров: 12