Запчасти Bobcat BL470 SWING CYLINDER Top Side Shift HYDRAULIC SYSTEM

Схема запчастей Bobcat BL470 - SWING CYLINDER Top Side Shift HYDRAULIC SYSTEM
FIT
1:1
100%

Артикул

Название

Примечание

Количество

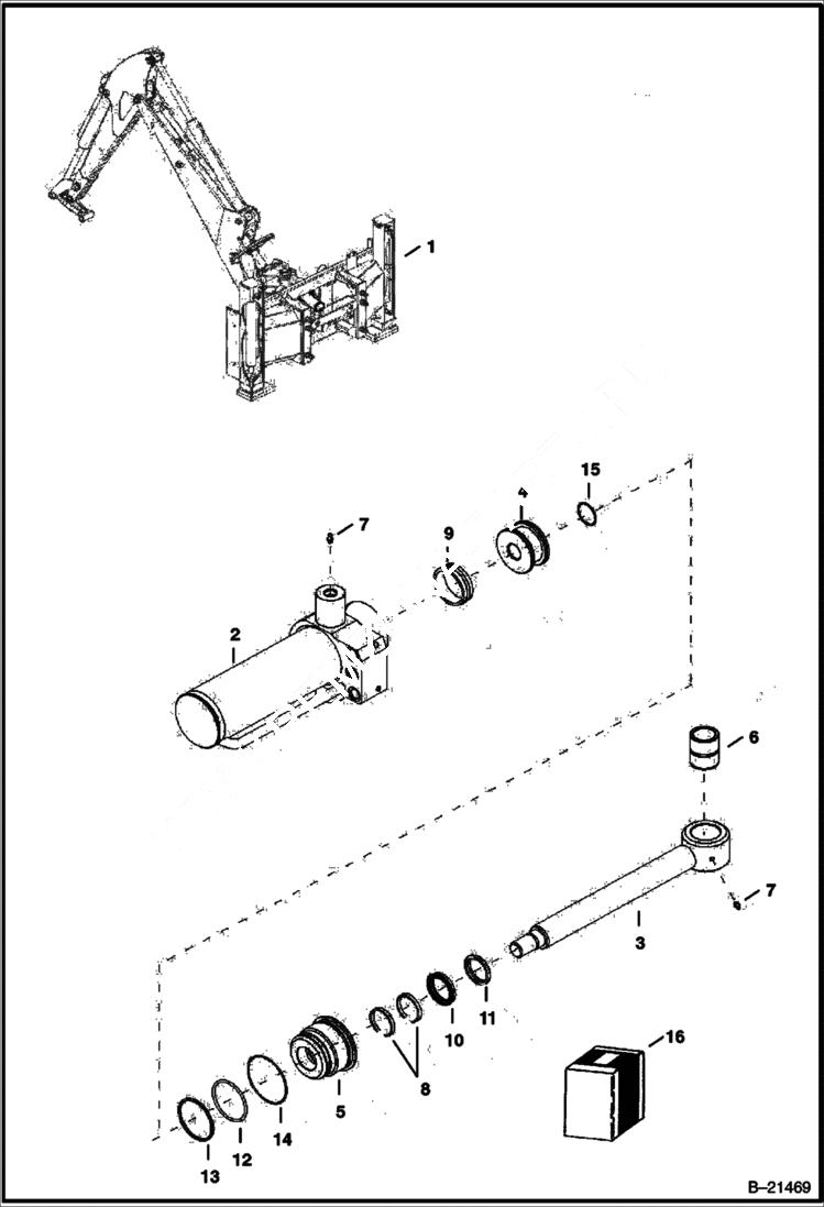
1

6961881

CYLINDER

2

6961882

HOUSING

3

6961883

ROD

4

6960175

PISTON

5

6960176

HEAD

6

6960940

BUSHING

7

6962268

GREASE FITTING

8

6960280

SEAL

9

6960610

SEAL

10

6960277

SEAL

11

6960279

WIPER

12

6960281

BACK-UP RING

13

6960282

O-RING

14

6960284

O-RING

15

6960278

O-RING

16

6962301

SEAL KIT

Выбрано товаров: 16