Запчасти Bobcat BL470 ENGINE & ATTACHING PARTS Pump POWER UNIT

Схема запчастей Bobcat BL470 - ENGINE & ATTACHING PARTS Pump POWER UNIT
FIT
1:1
100%

Артикул

Название

Примечание

Количество

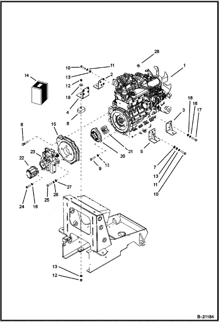
1

6964746

ENGINE

2

6961494

HOLDER

3

6961495

HOLDER

4

6961496

HOLDER

5

6961497

HOLDER

6

6960211

BLOCK

7

6964621

WASHER

8

6961560

BOLT

9

1CM1230

BOLT Was 4CM1230 - A

10

2CM1230

BOLT

11

8EM120

WASHER

12

16DM12

NUT

13

6964571

WASHER

14

6961499

COUPLING W/Ref. 20 & 21 - engine to axial pump - 15-13 tooth

15

6961500

FLANGE

16

8EM100

WASHER

17

2CM1030

BOLT

18

6964570

WASHER

19

6964597

WASHER

20

COUPLER NLA

21

COUPLER NLA

22

6962264

GEAR PUMP

22

6962263

PUMP, AXIAL

24

1GM1030

BOLT

25

1CM1440

BOLT

26

8EM140

WASHER

27

6962810

WASHER

28

6964747

COVER

Выбрано товаров: 28