Качественные детали и логистика
Оригинальные и аналоговые запчасти с доставкой по России, Казахстану и Беларуси
©2022 PartSell ООО "Система" ИНН 2463123282 ОГРН 1212400004838
Центральный офис: г. Красноярск, Академика Киренского, д.87, пом.4
Телефон: 8 (800) 777-65-74 Email: zakaz@partsell.ru
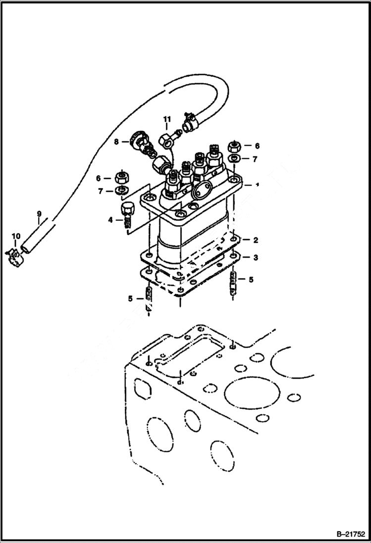
INJECTION PUMP
№
Артикул
Название
Примечание
Количество
1
6675656
PUMP
2
3974626
SHIM 0.20mm - Was 6682514 - A
3
6682515
SHIM 0,25 mm - injection pump
6655210
SHIM 0,30 mm - injection pump
4
4CM822
BOLT
5
6652670
STUD
6
6652792
NUT
7
6EM80
WASHER, SPRING
8
6598102
VALVE jet start
9
6655197
PIPE ASSY. fuel
10
6655874
CLIP pipe
11
6655515
JOINT eye
Выбрано товаров: 0