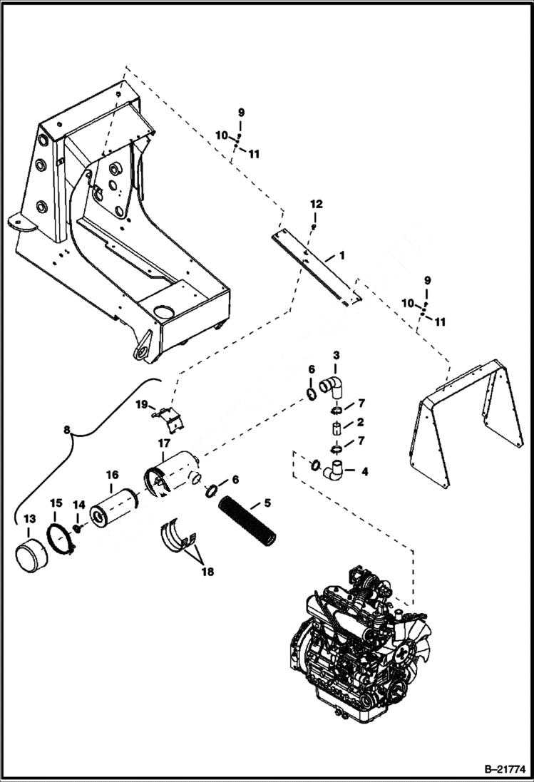
Запчасти Bobcat BL470 AIR CLEANER POWER UNIT

Схема запчастей Bobcat BL470 - AIR CLEANER POWER UNIT
FIT
1:1
100%

Артикул

Название

Примечание

Количество

1

6961285

HOLDER filter

2

6961674

ADAPTER

3

6961982

BRACKET air

4

6961983

HOSE air

5

6961984

HOSE

6

6960205

CLIP hose

7

6960958

CLIP hose

8

6961287

FILTER air

9

BOLT

10

WASHER

11

NUT

12

BOLT

13

BOLT NSS

14

COVER NSS

15

RING NSS

16

6961197

FILTER air

17

BODY NSS

18

RUBBER STRIP

19

BRACKET

Выбрано товаров: 19