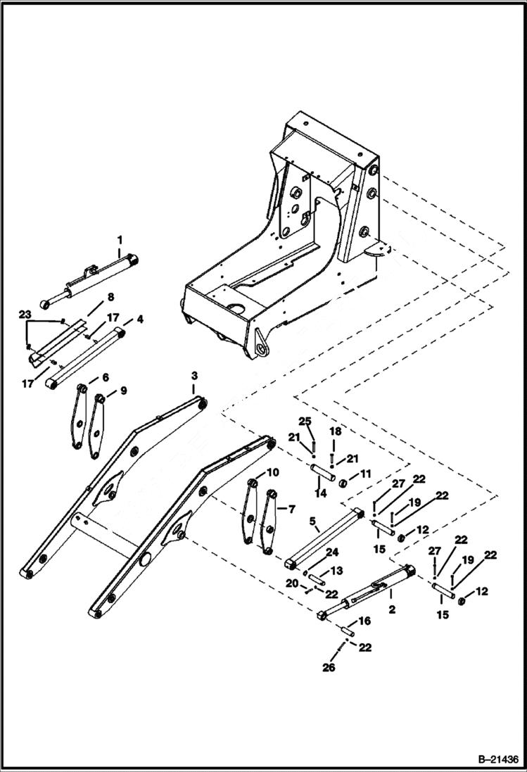
Запчасти Bobcat BL470 LIFT ARM & ATTACHING PARTS (BL470) 5705 11011 & Below (BL475) 5719 11002 & Below MAIN FRAME

Схема запчастей Bobcat BL470 - LIFT ARM & ATTACHING PARTS (BL470) 5705 11011 & Below (BL475) 5719 11002 & Below MAIN FRAME
FIT
1:1
100%

Артикул

Название

Примечание

Количество

1

6961225

CYLINDER

2

6961226

CYLINDER

3

6965881

BOOM ASSY

4

6961230

PULL ROD right

5

6961231

PULL ROD left

6

6961232

LEVER right

7

6961233

LEVER left

8

6961235

ARMS LOCK

9

6961236

ROCKER LEVER right

10

6961237

ROCKER LEVER left

11

6961239

RING

12

6961240

RING

13

6961241

PIN

14

6961242

PIN

15

6961243

PIN

16

6961246

PIN

17

6961248

FILTER

18

1CM1280

BOLT

19

1CM1075

BOLT

20

1CM1070

BOLT

21

16DM12

NUT

22

16DM10

NUT

23

6960996

SAFETY PIN

24

6960953

SAFETY PIN

25

1GM1290

SCREW

26

1CM1080

BOLT

27

1CM1090

BOLT

Выбрано товаров: 27