Запчасти Bobcat BL470 REAR AXLE AXLES

Схема запчастей Bobcat BL470 - REAR AXLE AXLES
FIT
1:1
100%

Артикул

Название

Примечание

Количество

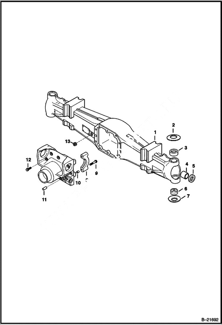
1

HOUSING

2

6962490

WASHER belleville

3

BUSHING

4

6962493

BUSH

5

SEAL

6

6962352

BEARING

7

6962495

WASHER Belleville

8

6962496

KIT W/Ref. 9 - 10

9

6962544

BOLT

10

6962463

BUSH

11

6962464

PIN

12

6962497

BOLT

13

6962498

PLUG

Выбрано товаров: 13