Запчасти Bobcat BL470 TRUNNION Center Mount WORK EQUIPMENT

Схема запчастей Bobcat BL470 - TRUNNION Center Mount WORK EQUIPMENT
FIT
1:1
100%

Артикул

Название

Примечание

Количество

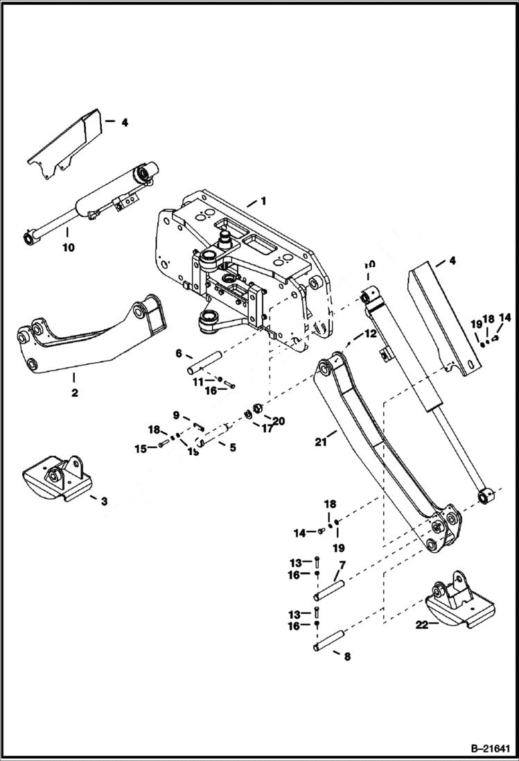
1

6961404

TRUNNION

2

6961405

BRACE

3

6961406

PAD

4

6961407

COVER piston

5

6961408

PIN

6

6961409

PIN

7

6961410

PIN

8

6960913

PIN

9

6961411

PLATE locking

10

6961412

CYLINDER ASSY

11

1CM865

SCREW

12

6962268

GREASE FITTING

13

1CM870

BOLT

14

1CM816

BOLT

15

1CM830

BOLT

16

16DM8

NUT

17

16DM24

LOCK NUT

18

8EM80

WASHER

19

6964587

WASHER

20

6964578

WASHER

21

6961415

STABILIZER

22

6961416

SUPPORT

Выбрано товаров: 22