Запчасти Bobcat BL470 TRUNNION Center Mount WORK EQUIPMENT

Схема запчастей Bobcat BL470 - TRUNNION Center Mount WORK EQUIPMENT
FIT
1:1
100%

Артикул

Название

Примечание

Количество

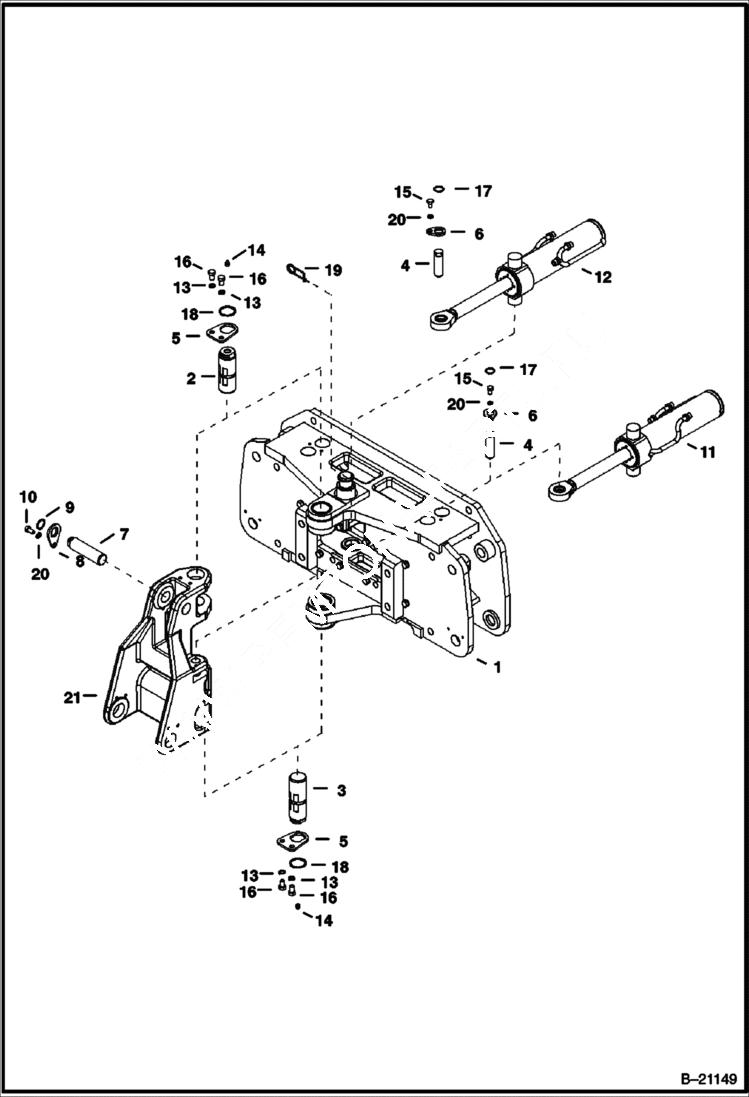
1

6961404

TRUNNION

2

6960640

PIN

3

6960641

PIN

4

6960642

PIN

5

6960614

PLATE locking

6

6960643

PLATE locking

7

6960645

PIN locking

8

6960644

PIN

9

6JM30

RING safety

10

1CM1020

BOLT

11

6961413

CYLINDER RH ASSY

12

6961414

CYLINDER LH ASSY

13

6EM12

WASHER

14

6962803

HOLDER

15

1CM1016

SCREW

16

1CM1220

BOLT

17

6JM25

RING safety

18

6JM45

RING safety

19

6960226

PIN LOCK

20

8EM100

WASHER

21

6960653

SWING FRAME

Выбрано товаров: 21