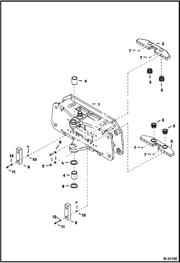
Запчасти Bobcat BL470 TRUNNION Center Mount WORK EQUIPMENT

Схема запчастей Bobcat BL470 - TRUNNION Center Mount WORK EQUIPMENT
FIT
1:1
100%

Артикул

Название

Примечание

Количество

1

TRUNNION NLA

2

BRACKET NLA

3

6961397

BUSHING

4

6960635

BUSHING

5

4CM1250

BOLT

6

6EM12

WASHER

7

6962268

GREASE FITTING

8

6960636

AXIAL RING

9

6960560

STOP

10

6960558

SPACER

11

1GM1040

SCREW

12

6962913

WASHER

Выбрано товаров: 12