Запчасти Bobcat BL470 ELECTRICAL ELECTRICAL SYSTEM

Схема запчастей Bobcat BL470 - ELECTRICAL ELECTRICAL SYSTEM
FIT
1:1
100%

Артикул

Название

Примечание

Количество

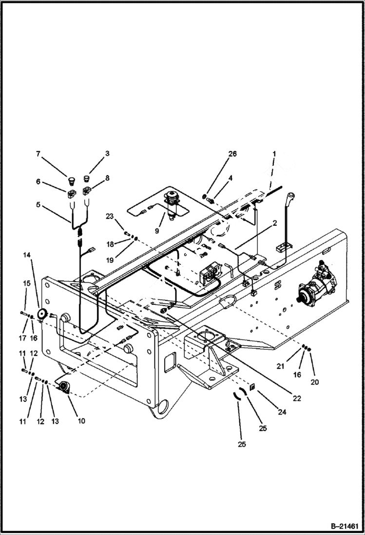
1

6961464

HARNESS

2

6961465

HARNESS

3

6961356

SWITCH

4

6961361

SENSOR

5

6961466

HARNESS

6

6961355

SWITCH

7

6961354

SWITCH

8

6961353

SWITCH

9

6961359

WIRE

10

6964320

ALARM

11

1GM516

BOLT

12

8EM50

WASHER

13

6964598

WASHER

14

6961358

HORN

15

1CM816

BOLT

16

6964587

WASHER

17

8EM80

WASHER

18

8EM60

WASHER

19

6964586

WASHER

20

16DM8

NUT

21

6964624

WASHER

22

6961514

SENSOR

23

13GM6016

SCREW

24

6960988

HOOK

25

6962227

COVER

26

6962814

RING

Выбрано товаров: 26