Запчасти Bobcat BL570 CYLINDER HEAD POWER UNIT

Схема запчастей Bobcat BL570 - CYLINDER HEAD POWER UNIT
FIT
1:1
100%

Артикул

Название

Примечание

Количество

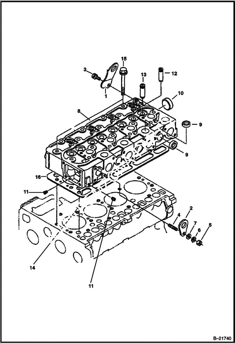
1

6655152

HOOK engine

2

3974882

HOOK

3

1CM816

BOLT Was 4CM816 - A

4

6652670

STUD

5

6652792

NUT

6

6EM80

WASHER, SPRING

7

1EM80

WASHER Was 2EM8 - A

8

6675642

HEAD cylinder

9

3974432

PLUG sealing

10

3974433

PLUG sealing

11

6598116

PLUG Was 6652797 - A

12

6655154

GUIDE intake valve

13

6969990

GUIDE exhaust valve - Was 6653803 - A

14

3974038

O RING

15

6655158

BOLT

16

6675643

GASKET cylinder head

Выбрано товаров: 16