Качественные детали и логистика
Оригинальные и аналоговые запчасти с доставкой по России, Казахстану и Беларуси
©2022 PartSell ООО "Система" ИНН 2463123282 ОГРН 1212400004838
Центральный офис: г. Красноярск, Академика Киренского, д.87, пом.4
Телефон: 8 (800) 777-65-74 Email: zakaz@partsell.ru
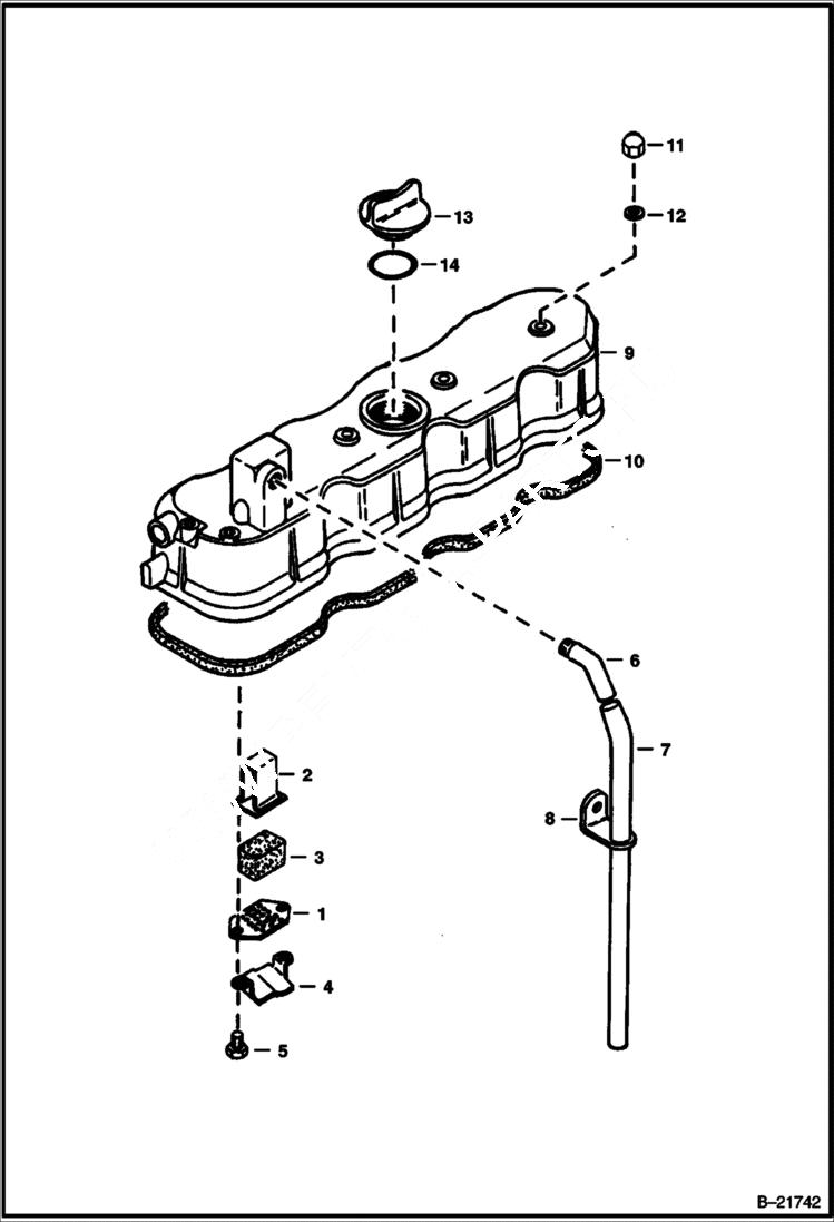
HEAD COVER
№
Артикул
Название
Примечание
Количество
1
3974924
PLATE
2
3974925
3
3974926
BREATHER
4
6653822
SHIELD
5
6667426
SCREW
6
6652624
JOINT
7
3974930
PIPE
8
6653823
CLAMP, PIPE
9
6655175
COVER
10
6598136
GASKET, COVER VALVE
11
3974923
NUT
12
3974095
MET-GASK
13
6685924
CAP oil filler - Was 6652653 - A
14
6684782
O-RING oil fill plug - Was 3966602 - A
Выбрано товаров: 0