Качественные детали и логистика
Оригинальные и аналоговые запчасти с доставкой по России, Казахстану и Беларуси
©2022 PartSell ООО "Система" ИНН 2463123282 ОГРН 1212400004838
Центральный офис: г. Красноярск, Академика Киренского, д.87, пом.4
Телефон: 8 (800) 777-65-74 Email: zakaz@partsell.ru
OIL PIPE
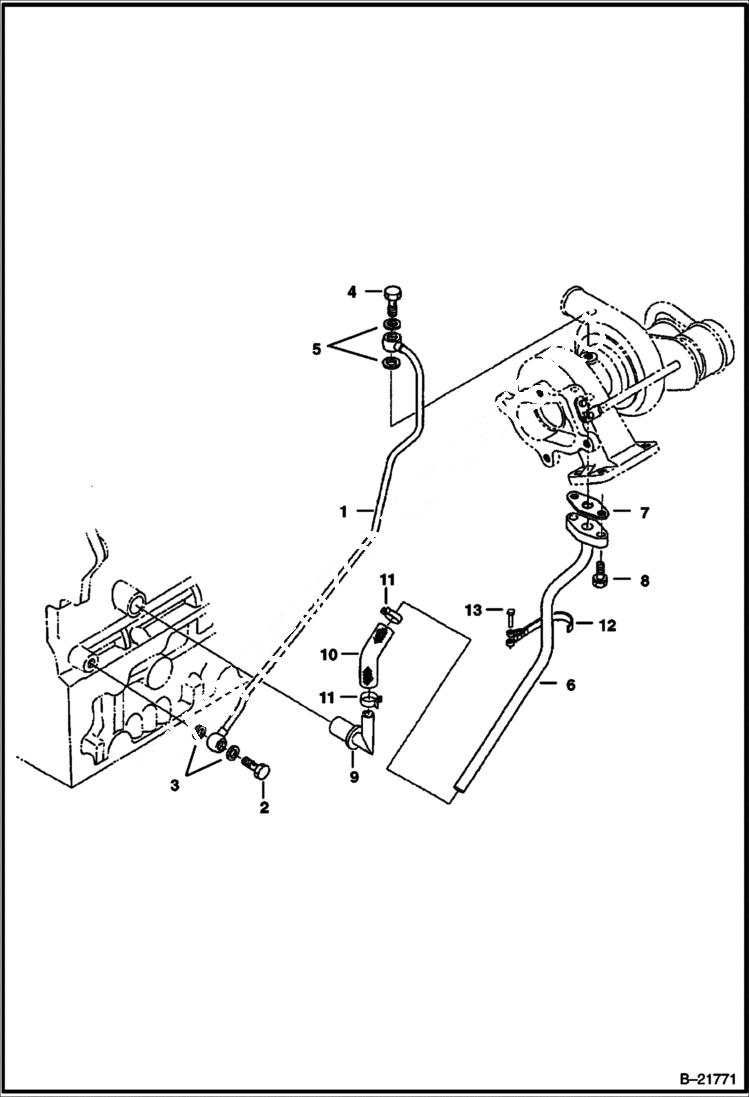
№
Артикул
Название
Примечание
Количество
1
6682538
PIPE
2
7022765
BOLT, EYE Was 6680791 - A
3
3974095
MET-GASK
4
6675625
BOLT, EYE JOINT eye
5
7000642
WASHER, SEALING COPPER consists of 2 gaskets attached by a tab - Was 6685962 - B
6
6682539
7
6680570
GASKET oil return tube - Was 6675626 - A
8
1CM620
BOLT Was 4CM620 - A
9
6675630
PIPE ASSY, OIL
10
6680572
11
6675618
CLAMP
12
6685601
CLAMP pipe - Was 6675621 - A
13
6680576
PIN Was 6675683 - A
Выбрано товаров: 0