Качественные детали и логистика
Оригинальные и аналоговые запчасти с доставкой по России, Казахстану и Беларуси
©2022 PartSell ООО "Система" ИНН 2463123282 ОГРН 1212400004838
Центральный офис: г. Красноярск, Академика Киренского, д.87, пом.4
Телефон: 8 (800) 777-65-74 Email: zakaz@partsell.ru
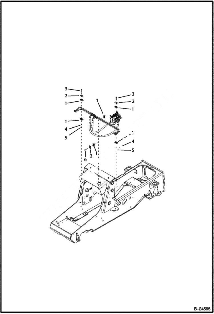
HYDRAULIC CIRCUITRY Frame
№
Артикул
Название
Примечание
Количество
1
6962804
HOLDER Sale as Couple
2
6960755
PLATE
3
4CM850
BOLT
4
6962819
WASHER
5
16DM8
NUT
6
4CM835
Выбрано товаров: 0