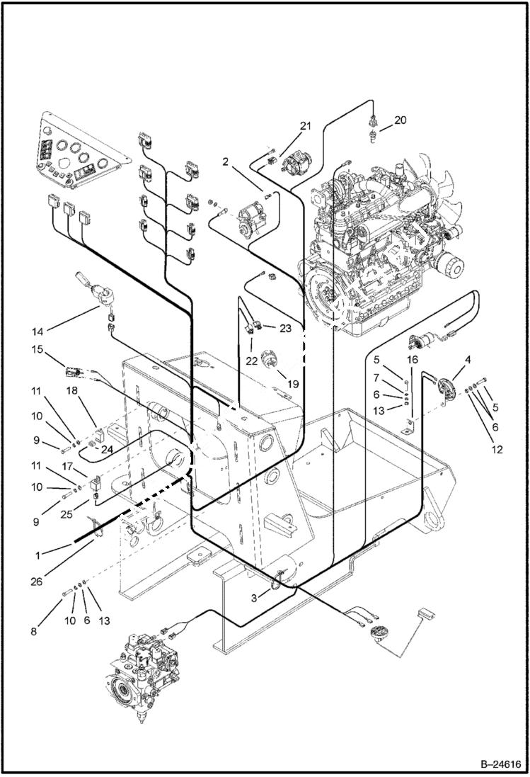
Запчасти Bobcat BL570 ELECTRICAL CIRCUITRY ELECTRICAL SYSTEM

Схема запчастей Bobcat BL570 - ELECTRICAL CIRCUITRY ELECTRICAL SYSTEM
FIT
1:1
100%

Артикул

Название

Примечание

Количество

1

6974512

WIRE

2

6964731

CONNECTOR

3

6962228

TIE STRAP

4

6961358

HORN

5

1CM816

BOLT

6

6964587

WASHER

7

8EM80

WASHER

8

1CM820

BOLT

9

1CM616

SCREW

10

8EM60

WASHER

11

6964586

WASHER

12

16DM8

NUT

13

6964624

WASHER

14

6974519

SWITCH

15

6962164

SOCKET cigarette lighter

16

6961662

HOLDER

17

6964757

RELAY

18

6964756

RELAY

19

6961636

SWITCHBOX keyswitch W/Keys W/Keys

19

6971041

KEY, IGN

20

6973758

SENSOR water temp

21

6964728

CONNECTOR

22

6968439

CONNECTOR

23

6968438

CONNECTOR

24

6964730

CONNECTOR

25

6964764

CONNECTOR

26

6964767

BELT

Выбрано товаров: 27