Качественные детали и логистика
Оригинальные и аналоговые запчасти с доставкой по России, Казахстану и Беларуси
©2022 PartSell ООО "Система" ИНН 2463123282 ОГРН 1212400004838
Центральный офис: г. Красноярск, Академика Киренского, д.87, пом.4
Телефон: 8 (800) 777-65-74 Email: zakaz@partsell.ru
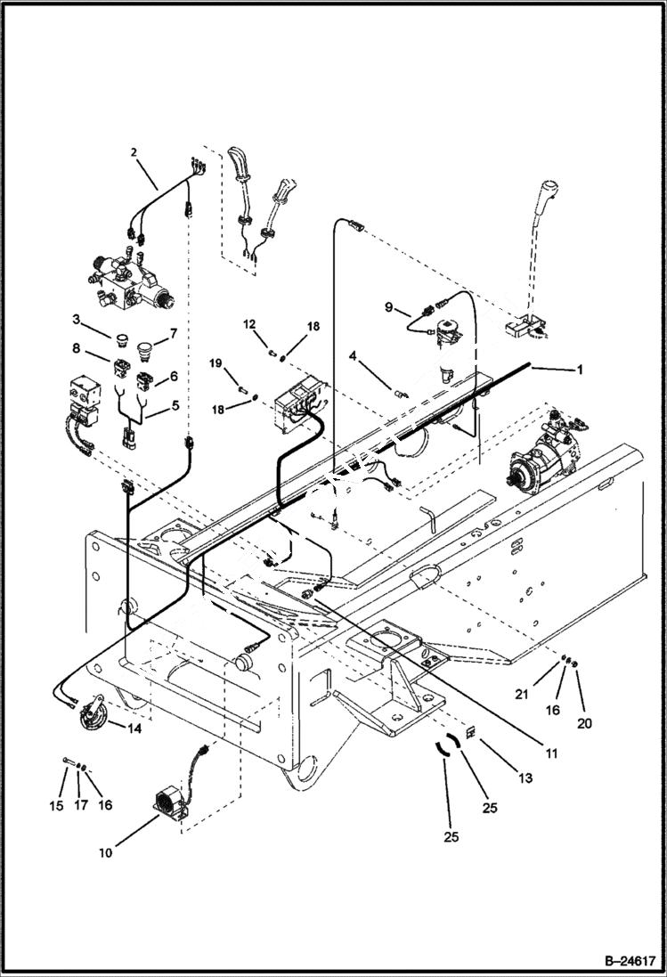
ELECTRICAL CIRCUITRY
№
Артикул
Название
Примечание
Количество
1
6974512
WIRE
2
6973771
HARNESS
3
6961356
SWITCH
4
6966749
SENSOR hydraulic temperature
5
6973770
WIRE assy - stop button and horn
6
6961355
7
6961354
SWITCH emergency
8
6961353
9
6973767
WIRE filter sensor
10
6966225
ALARM
11
6961514
SENSOR indicator
12
13GM6016
SCREW
13
6960988
HOOK
14
6961358
HORN
15
1CM816
BOLT
16
6964587
WASHER
17
8EM80
18
6964623
19
13GM6020
20
16DM8
NUT
21
6964624
Выбрано товаров: 0