Качественные детали и логистика
Оригинальные и аналоговые запчасти с доставкой по России, Казахстану и Беларуси
©2022 PartSell ООО "Система" ИНН 2463123282 ОГРН 1212400004838
Центральный офис: г. Красноярск, Академика Киренского, д.87, пом.4
Телефон: 8 (800) 777-65-74 Email: zakaz@partsell.ru
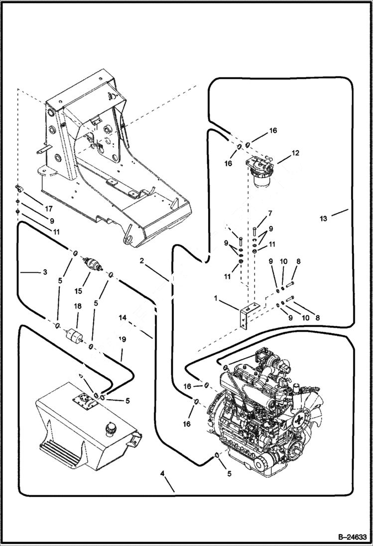
FUEL ASSY
№
Артикул
Название
Примечание
Количество
1
6961516
HOLDER
2
6960818
HOSE
3
6974824
4
6961518
5
6960819
CLIP
6
6960820
7
1CM830
BOLT
8
1CM816
BOLT Was 4CM816 - A
9
15EM80
WASHER
10
8EM80
11
16DM8
NUT
12
6964743
FILTER
13
HOSE NLA - Was 6963457 - A
14
6974823
15
6657734
PUMP, PRIMER HAND 124 mm (4.88'') long
16
6964748
17
30H30
CLAMP
18
6633977
19
6976976
Выбрано товаров: 0