Качественные детали и логистика
Оригинальные и аналоговые запчасти с доставкой по России, Казахстану и Беларуси
©2022 PartSell ООО "Система" ИНН 2463123282 ОГРН 1212400004838
Центральный офис: г. Красноярск, Академика Киренского, д.87, пом.4
Телефон: 8 (800) 777-65-74 Email: zakaz@partsell.ru
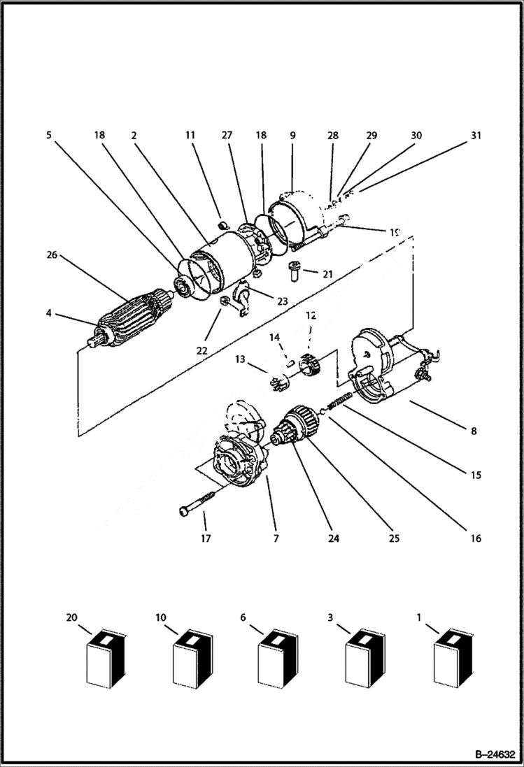
STARTER
№
Артикул
Название
Примечание
Количество
1
6988700
STARTER assy - Ref. 2-31 - Was 6988712 - A
2
6662324
YOKE assy
3
6662325
ARMATURE assy - Ref. 4, 5 & 26
4
6662327
BEARING Was 6683289 - A
5
6662326
BEARING
6
6969588
CLUTCH assy - Ref. 24 & 25
7
6969590
FRAME
8
6969591
SWITCH
9
6969592
FRAME, END
10
6969593
HOLDER, BRUSH Ref. 11 & 27
11
3974738
SPRING
12
6662333
GEAR
13
6662334
RETAINER
14
3390091
ROLLER
15
6662335
16
3390093
BALL
17
6662336
BOLT
18
3390007
O-RING
19
6662338
20
3390008
BOLT ASSY Ref. 28-31
21
3390097
NUT
22
23
6683290
COVER, TERMINAL
24
6969589
25
CLUTCH NLA
26
ARMATURE NLA
27
HOLDER NLA
28
WASHER NLA
29
30
31
BOLT NLA
Выбрано товаров: 0