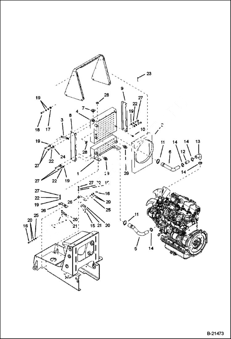
Запчасти Bobcat BL575 ENGINE & ATTACHING PARTS Cooling POWER UNIT

Схема запчастей Bobcat BL575 - ENGINE & ATTACHING PARTS Cooling POWER UNIT
FIT
1:1
100%

Артикул

Название

Примечание

Количество

1

6964372

CONDENSER,OIL

2

6962178

COVER

3

6961290

HOLDER

4

6961291

COOLER

5

6961292

HOSE

6

6961293

HOSE

7

6961294

CAP

8

6961295

COVER left

9

6961296

COVER right

10

6961297

VALVE

11

6960958

CLIP

12

6961298

ADAPTER

13

6961299

HOSE

14

6960957

CLIP

15

1CM1025

BOLT

16

1CM1035

BOLT

17

16DM8

NUT

18

6964587

WASHER

19

6964587

WASHER

20

6968475

WASHER

21

8EM100

WASHER

22

8EM80

WASHER

23

6961582

BOLT

24

6964631

WASHER

25

16DM10

NUT

26

6961660

BRACKET

27

1CM820

BOLT

28

6960988

HOOK

29

6961769

FITTING

Выбрано товаров: 29