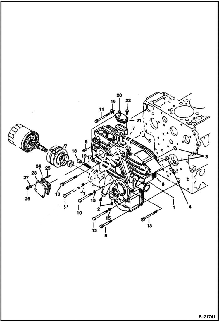
Запчасти Bobcat BL575 GEARCASE POWER UNIT

Схема запчастей Bobcat BL575 - GEARCASE POWER UNIT
FIT
1:1
100%

Артикул

Название

Примечание

Количество

1

6682501

CASE ASSY. NLA - Order 6685466 o-ring, 6686981 o-ring, 6685468 o-ring, 3974395 pin, 6652592 pin & 7018622 housing gear case - Was 6682501 - A

2

6667425

PLUG

3

3966515

O RING

4

6655162

O-RING

5

3966530

O RING

6

6652592

PIN

7

3974395

PIN

8

6666800

GASKET

9

3974888

BOLT

10

1CM870

BOLT

11

6653807

BOLT

12

1CM880

BOLT

13

6653808

BOLT

14

1CM895

BOLT

15

6EM80

WASHER, SPRING

16

1EM80

WASHER Was 2EM8 - A

17

6652652

SPRING

18

3974893

SEAT

19

10J13

BALL

20

3974894

FLANGE

21

6666803

GASKET

22

1CM620

BOLT Was 4CM620 - A

23

3974460

COVER

24

6714543

GASKET Was 6666785 - A

25

6652764

STUD

26

1DM6

NUT

27

6EM60

WASHER, SPRING

Выбрано товаров: 27