Запчасти Bobcat BL575 TRUNNION W/STABILIZER Center Mount WORK EQUIPMENT

Схема запчастей Bobcat BL575 - TRUNNION W/STABILIZER Center Mount WORK EQUIPMENT
FIT
1:1
100%

Артикул

Название

Примечание

Количество

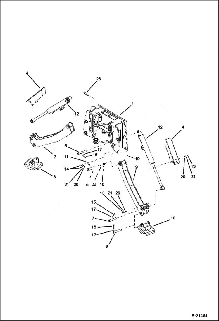
1

6962184

TRUNNION assy

2

6961405

BRACE

3

6961406

PAD

4

6961831

COVER

5

6961408

PIN

6

6961409

PIN

7

6961410

PIN

8

6960913

PIN lock

9

6961415

STABILIZER

10

6961416

SUPPORT

11

6961411

PLATE locking

12

6961412

CYLINDER ASSY

13

1CM816

BOLT

14

1CM830

BOLT

15

1CM870

BOLT

16

1CM865

SCREW

17

16DM8

NUT

18

16DM24

LOCK NUT

19

6962268

GREASE FITTING

20

6964587

WASHER

21

8EM80

WASHER

22

6964578

WASHER

23

6960226

PIN LOCK

Выбрано товаров: 23