Запчасти Bobcat 200s MAIN FRAME HYDRAULIC CIRCUITRY HYDRAULIC SYSTEM

Схема запчастей Bobcat 200s - MAIN FRAME HYDRAULIC CIRCUITRY HYDRAULIC SYSTEM
FIT
1:1
100%

Артикул

Название

Примечание

Количество

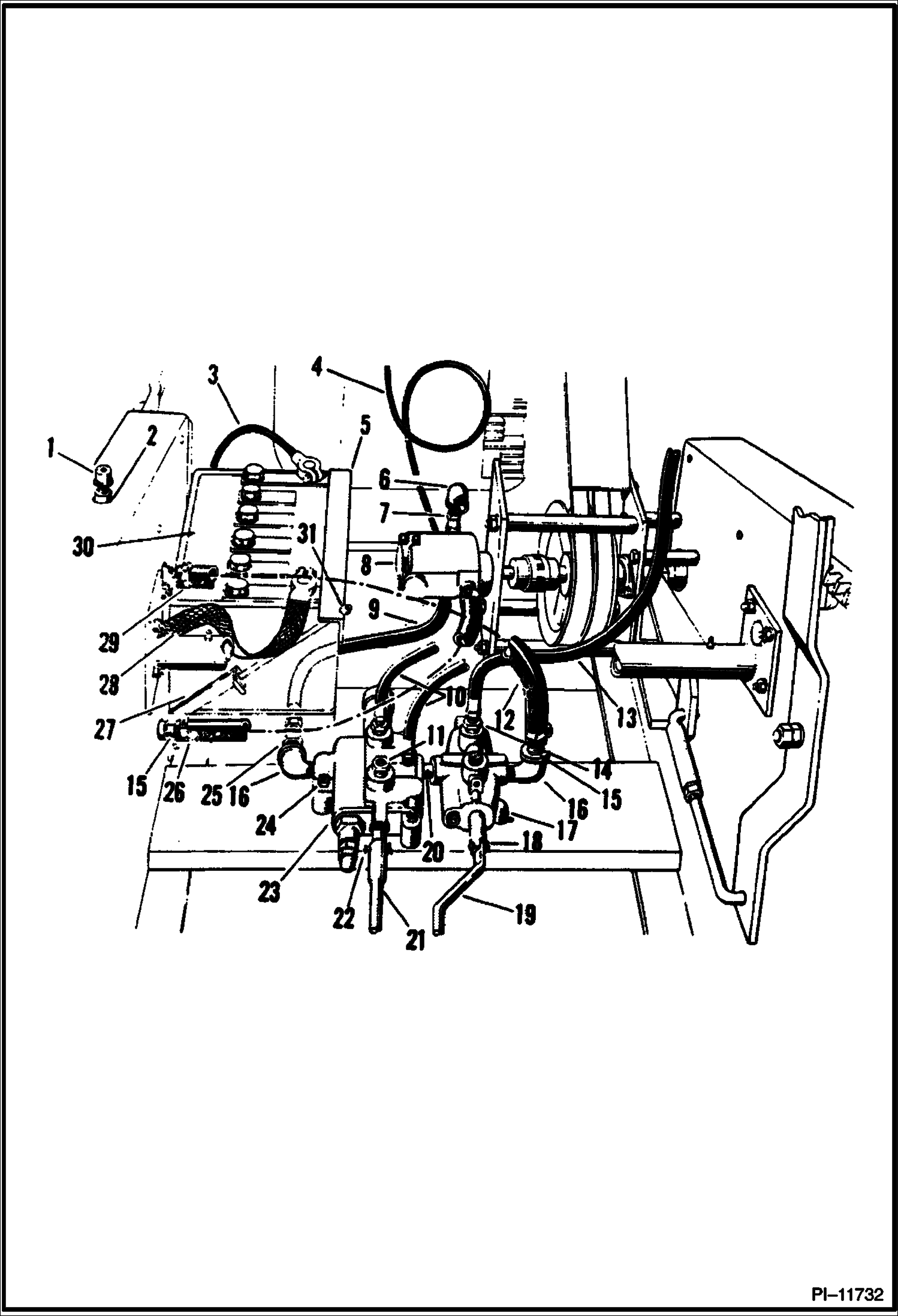
1

6519910

FILTER

2

TANK NLA - oil

2

COUPLING NLA - Was 75F-4 - A

2

PLUG NLA - pipe - Was 14F-8 - A

3

CABLE NLA - battery, 19'' long

4

LINE NLA - gas

5

BRACKET NLA - battery holddown

6

26F4

ELBOW street

7

ADAPTER NLA - union

8

6519171

PUMP See Illustration HYDRAULIC PUMP/ PI11730 HYDRAULIC

9

HOSE NLA - hydraulic

10

6546035

HOSE hydraulic

11

19F5

BSHG reducing

12

HOSE NLA - hydraulic

13

HOSE NLA - hydraulic

14

19F6

FITTING reducing

15

6511559

TUBE 1/2'' NPT x 2-1/2'' long

16

26F5

ELBOW street

17

6518305

VALVE hydraulic (One-Way)

18

1F316

PIN cotter

19

ROD NLA - control pedal

20

5K611

NIPPLE close

21

ROD NLA - control pedal

22

PIN NLA - Was 6505102 - A

23

6518304

VALVE hydraulic (Two-Way)

24

17C640

BOLT 5

25

19F9

BUSHING reducing

26

6546033

HOSE hydraulic

27

BOX NLA - battery

28

6553094

CABLE ground

29

756853

CLAMP hose

30

BATTERY NLA - 12 VOLT

31

BOLT NLA - holddown

Выбрано товаров: 33