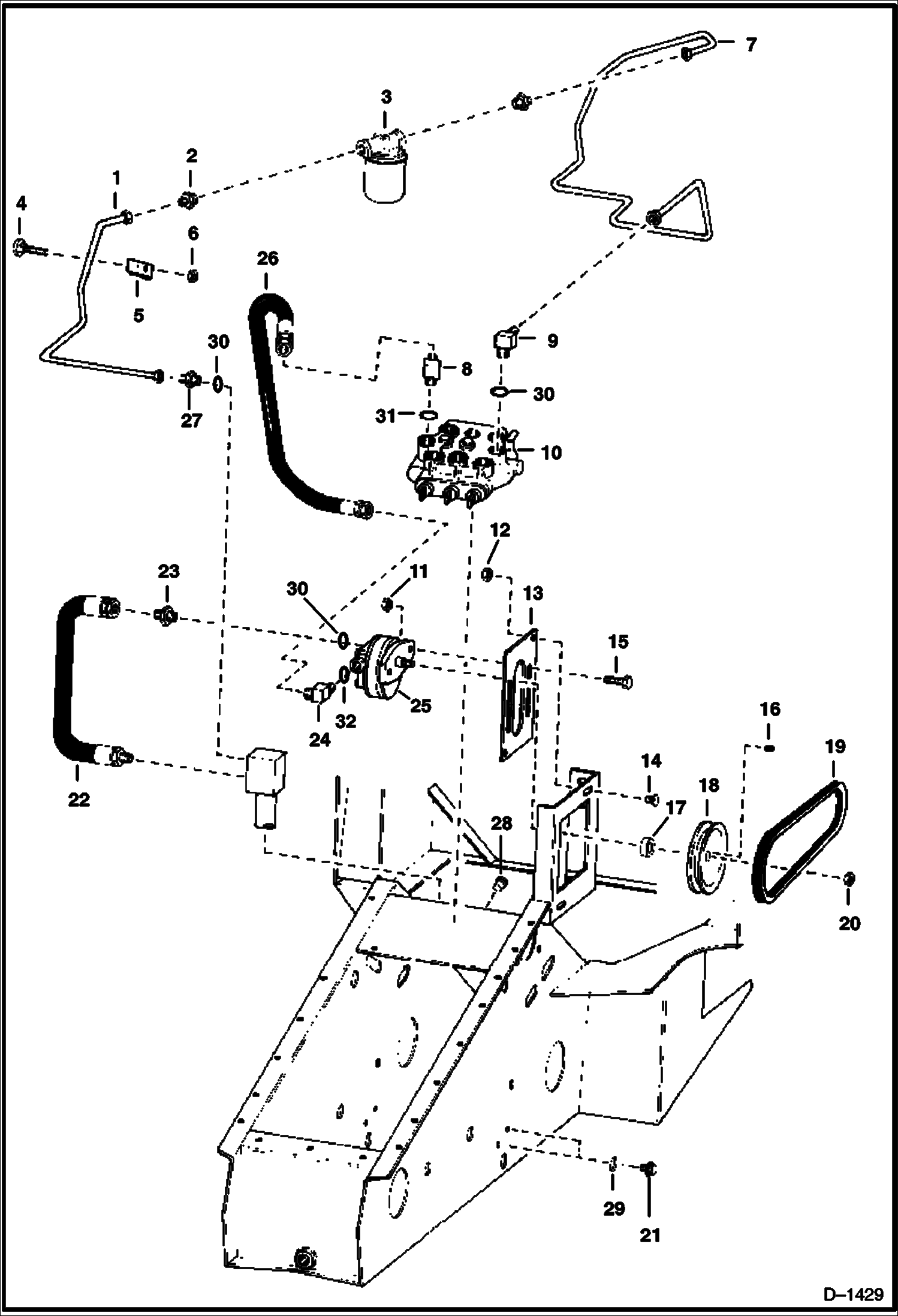
Запчасти Bobcat 300s HYDRAULIC CIRCUITRY (S/N 13695 & Below) HYDRAULIC SYSTEM

Схема запчастей Bobcat 300s - HYDRAULIC CIRCUITRY (S/N 13695 & Below) HYDRAULIC SYSTEM
FIT
1:1
100%

Артикул

Название

Примечание

Количество

1

TUBE NLA - Was 6558191 - A

2

730136

CONNECTR

3

FILTER See Illustration OIL FILTER/ B1304

4

6557432

BOLT

5

6502203

CLAMP Tube

6

81D6

NUT

7

TUBE NLA - Was 6558190 - A

8

17K7

ELBOW W/Ref. 31

8

763818

ELBOW W/Ref. 31 - Used With Cessna Valve

9

784568

ELBOW W/Ref. 30

9

17K6

ELBOW W/Ref. 30 - Used With Cessna Valve

10

VALVE See Illustration HYDRAULIC VALVE/ B20392 See Illustration HYDRAULIC VALVE/ B20391

11

61D6

NUT 5

12

57D6

NUT 5

13

6555700

PLATE

14

37C616

BOLT Was 6514537 - A

15

6554745

BOLT

16

KEY NLA - Was 7J1010 - A

17

6551997

SPACER

18

6555482

SHEAVE

19

6555504

BELT

20

6512958

NUT

21

84G3712

BOLT 5

22

6558187

HOSE

23

730963

CONNECTR W/Ref. 30

24

17KB0806

FITTING, HYD ELBOW W/Ref. 32 - Was 672942

25

PUMP See Illustration HYDRAULIC PUMP/ C1250 See Illustration HYDRAULIC PUMP/ C1675 NLA - Was 6508434 - A

26

HOSE NLA - Was 6558188 - A

27

15K6

ADAPTER W/Ref. 30

28

6558506

PLUG Breather

29

6515468

WASHER Sealing

30

79K8

O RING 10

31

79K10

O RING 10

32

79K6

O RING 10

Выбрано товаров: 34