Запчасти Bobcat 300s ENGINE & ATTACHING PARTS POWER UNIT

Схема запчастей Bobcat 300s - ENGINE & ATTACHING PARTS POWER UNIT
FIT
1:1
100%

Артикул

Название

Примечание

Количество

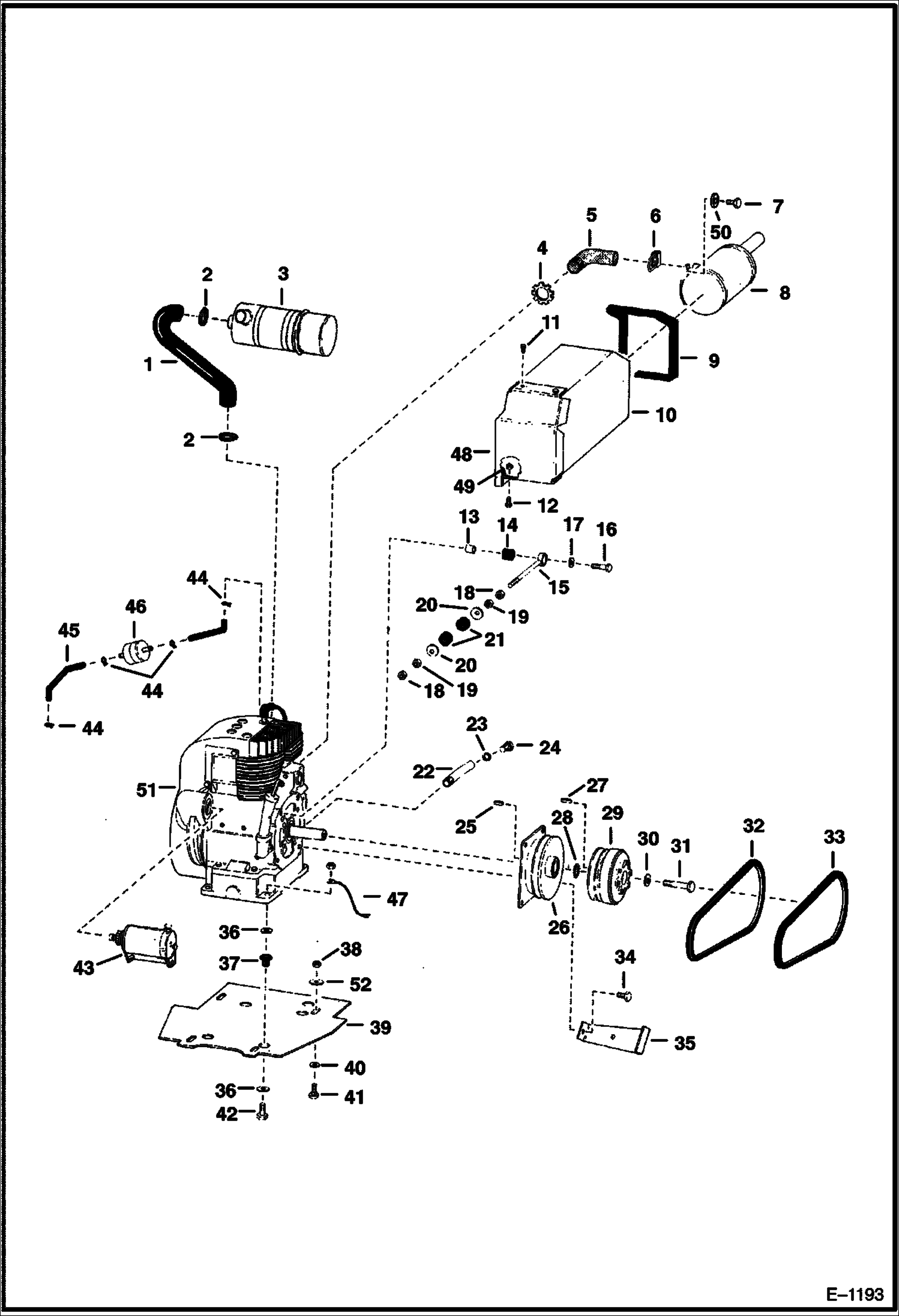
1

HOSE NLA - Air Cleaner - Was 6555552 - A

2

42H32

HS CLAMP5 Was 6513595 - A

3

905282

AIR CLNR See Illustration ENGINE AIR CLEANER/ B17728

4

NUT NLA - Was 1313387 - A

5

6513245

ELBOW

6

600360

CLAMP Muffler

7

35C516

BOLT 10 Was 6554744 - A

8

6560310

MUFFLER

9

4126590

MOULDING bulk - sold per foot

10

SHIELD NLA - Was 6558219 - A

11

84G3712

BOLT 5

12

6555274

BOLT

13

SPACER NLA - Was 6500370 - A

14

ABSORBER NLA - Shock - Was 314971 - A

15

6555507

ROD

16

17C728

BOLT

17

672568

WASHER

18

7D6

NUT

19

85D6

NUT, 5

20

6509804

WASHER

21

MOUNT NLA - Shock - Was 729532 - A

22

TUBE NLA - Was 6555548 - A

23

6553574

WASHER

24

6553573

PLUG

25

7J3010

KEY

26

6555493

CLUTCH High speed

26

ROTOR NSS - W/Pulley

26

FIELD COIL NSS - Order 6555493 - Was 6513629 - A

27

7J3110

KEY

28

WASHER Was 604789 - A

29

6558185

CLUTCH, LOW SPEED Low Speed

29

FIELD COIL NSS

29

ROTOR W/Pulley - Was NSS

30

633316

WASHER

31

18C752

BOLT

32

6559690

BELT See BTI129 High Speed

33

6559689

BELT See BTI129 Low Speed

34

17C716

BOLT

35

BRACKET NLA - Also Order (1) of 17C000524B & (2) of 61D000005B - Was 6559875

36

872229

WASHER

37

6546118

CUSHION Shock

38

57D6

NUT 5

39

6555553

PLATE Engine Mounting

40

6512909

CLIP Spring - Use W/Carriage Bolt

41

6557432

BOLT Carriage

41

17C620

BOLT Spot Welded

41

17C624

BOLT 5 Spot Welded

42

17C644

BOLT

43

STARTER See Illustration STARTER/ B13723 See Illustration STARTER/ PI2260

44

42HS04

CLAMP, HOSE Was 6515575 - A

45

HOSE NLA - Was 6552447 - A

46

6511393

FILTER

47

6514523

CABLE Ground

48

SHIELD NLA - Was 6557610

49

85D4

NUT 5

50

BOSS NLA - Was 5227877 - A

51

ENGINE See Illustration ENGINE/ B1316 KOHLER - MODEL K 341 QS

52

WASHER NLA - Was 664962 - A

Выбрано товаров: 58