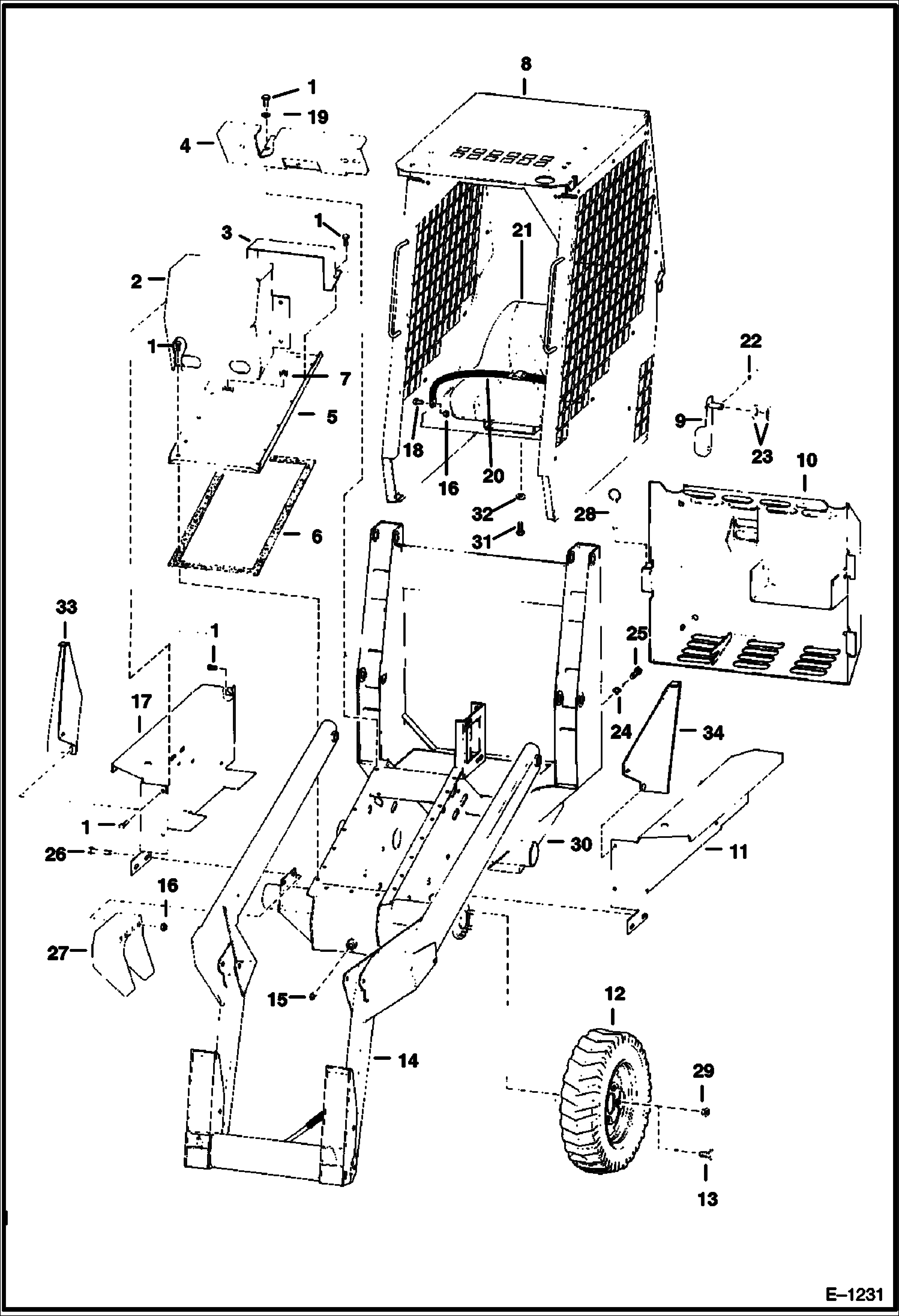
Запчасти Bobcat 300s MAIN FRAME & ATTACHING PARTS MAIN FRAME

Схема запчастей Bobcat 300s - MAIN FRAME & ATTACHING PARTS MAIN FRAME
FIT
1:1
100%

Артикул

Название

Примечание

Количество

1

84G3716

SCREW 5

2

6555180

GUARD pedal

3

6555171

STEP

4

6555176

COVER

5

COVER NLA - transmission - Was 6560739 - A

6

6500735

GASKET

7

16F16

PLUG

8

CAB See Illustration OPERATOR CAB/ D1402

9

HANDLE NLA - Was 6559383 - A

10

6558409

DOOR See BTI188 rear

10

DOOR NLA - rear - Was 6561977 - A

11

6555596

FENDER L.H.

12

TIRE & RIM See Illustration TIRES & RIMS/ B20401

13

6516294

BOLT See Illustration TIRES & RIMS/ B20401 WHEEL

14

LIFT ARM See Illustration LIFT ARM & BOB-TACH/ E1042 W/BOB-TACH

15

PLUG NLA - Was 34F000012B - A

16

57D5

NUT

17

6555595

FENDER R.H.

18

17C816

BOLT

19

6E6

WASHER

20

6591891

SEAT BELT

21

6500774

SEAT adjustable - Black

21

6713061

KIT Stationary - Black - Was 6591598 - B

22

14J3740

PIN

23

6513440

WASHER

24

WASHER NLA - Was 6560360 - A

25

84G3712

BOLT 5

26

17C872

BOLT

27

6559107

COUNTERWEIGHT

28

PIN NLA - Was 1315742 - A

29

6561152

NUT wheel

30

MAIN FRAME See BTI171 NLA - Was 6560223 - A

31

17C512

BOLT 5

32

25E15

WASHER

33

GUARD NLA - foot - RH - Was 6591589 - A

34

GUARD NLA - foot - LH - Was 6591588 - A

Выбрано товаров: 36